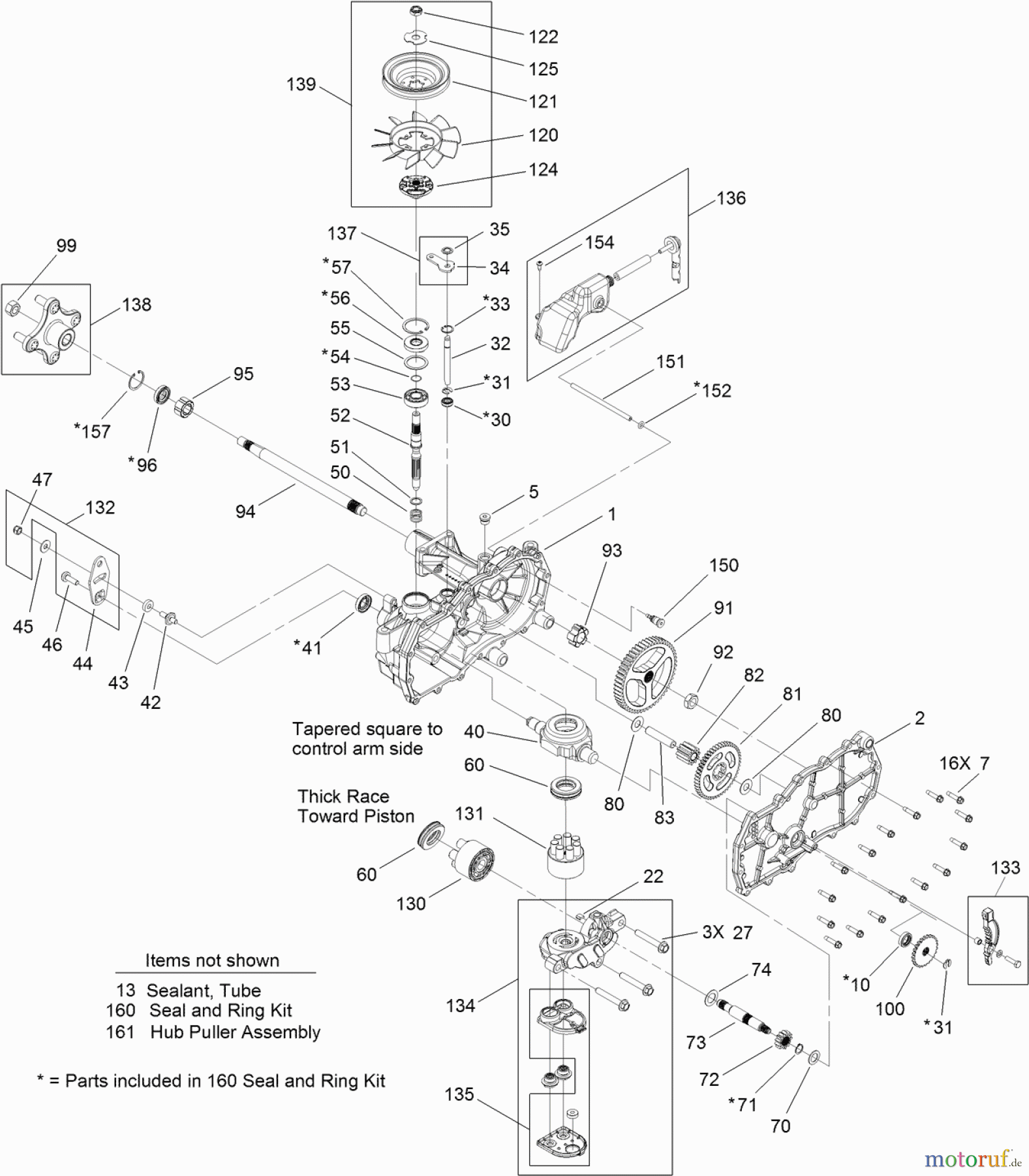
Toro 74385 (ZS 3200) - TimeCutter ZS 3200 Riding Mower, 2011 (311000001-311999999) RIGHT HAND HYDRO TRANSAXLE ASSEMBLY NO. 119-3331 Ricambi
RIGHT HAND HYDRO TRANSAXLE ASSEMBLY NO. 119-3331 74385 (ZS 3200) - Toro TimeCutter ZS 3200 Riding Mower, 2011 (311000001-311999999)



Gestione della qualità
Aiutaci a migliorare il nostro sito. Informaci se trovi un errore.

