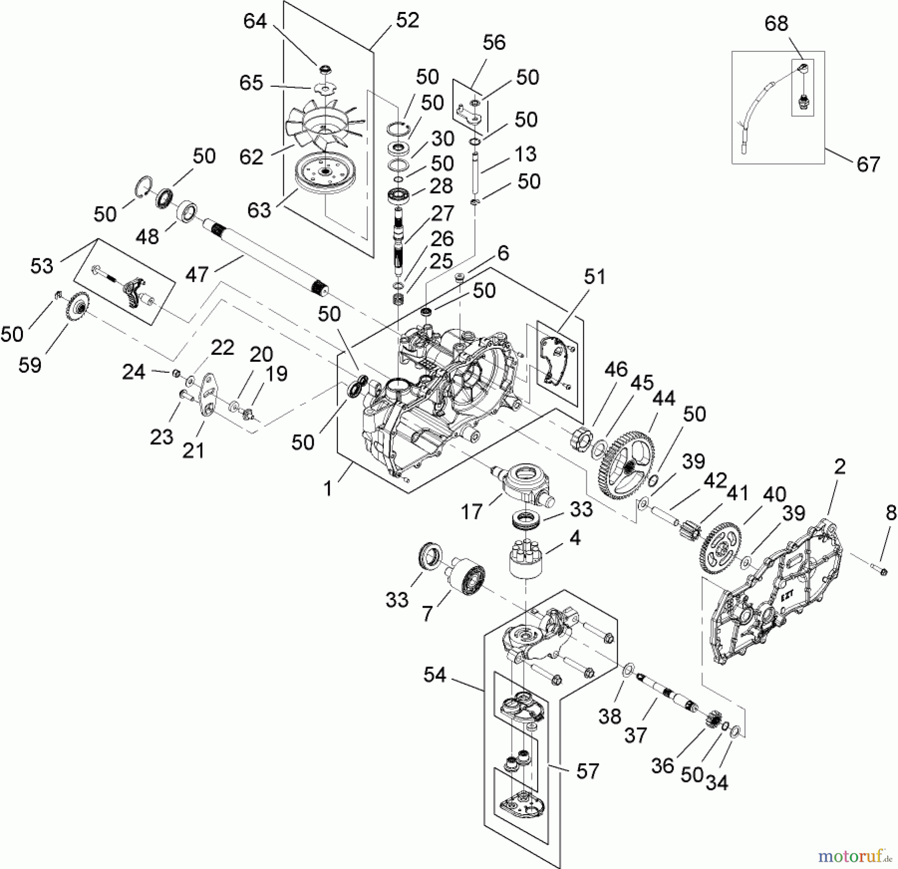
Toro 74374 (Z5040) - TimeCutter Z5040 Riding Mower, 2007 (270000001-270999999) RH HYDRO DRIVE ASSEMBLY NO. 110-6771 Ricambi
RH HYDRO DRIVE ASSEMBLY NO. 110-6771 74374 (Z5040) - Toro TimeCutter Z5040 Riding Mower, 2007 (270000001-270999999)



Gestione della qualità
Aiutaci a migliorare il nostro sito. Informaci se trovi un errore.

