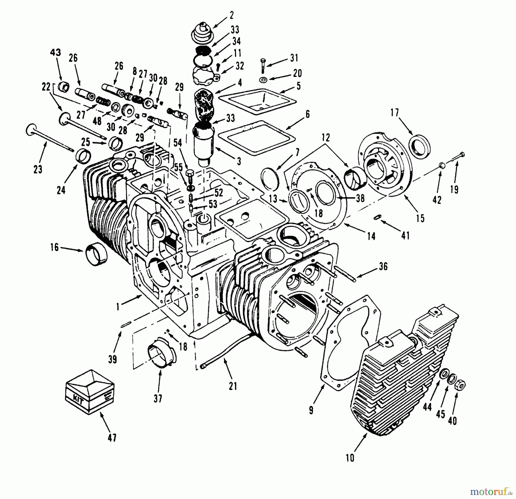
Toro 74140 (724-Z) - 724-Z Tractor, 1995 (590001-599999) ENGINE CYLINDER BLOCK P224 G SPEC. E Ricambi
ENGINE CYLINDER BLOCK P224 G SPEC. E 74140 (724-Z) - Toro 724-Z Tractor, 1995 (590001-599999)



Gestione della qualità
Aiutaci a migliorare il nostro sito. Informaci se trovi un errore.

