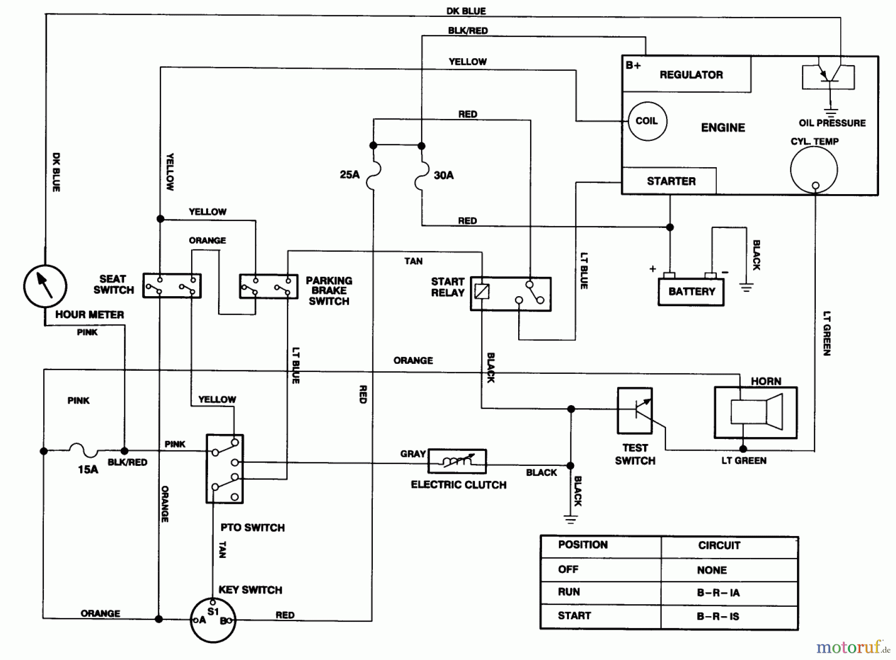
Toro 74140 (724-Z) - 724-Z Tractor, 1994 (49000001-49999999) ELECTRICAL SCHEMATIC Ricambi
ELECTRICAL SCHEMATIC 74140 (724-Z) - Toro 724-Z Tractor, 1994 (49000001-49999999)

| Posizione | Articolo numero | Descrizione | |
| TR92-9810 | DISCONTINUED | ||


Gestione della qualità
Aiutaci a migliorare il nostro sito. Informaci se trovi un errore.

