.it
Carrello
vuoto
Il mio account
Registrati
Log in
Benvenuti
Contatti
Spedizione
L’azienda
Guest book
Condizioni e Privacy
Catalogare
Tagliare, profilare
Componenti per motore
Officine meccaniche
Parti e componentistica per macchine varie
Forestali
Articoli elettrici
Articoli invernali
Cinghie trapezoidali e relative pulegge
Filters
PEZZI DI RICAMBIO
Sprocket Rims
Guide Bars
Chainsaw Chains
Search by Part Number
Diagrammi ed elenchi
Servizio
Determine Chain
Ricerca
DE
EN
FR
ES
IT
Versione mobile
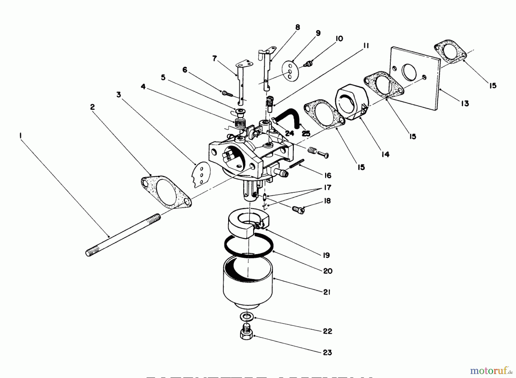
Toro 26680WG - Lawnmower, 1990 (0000001-0999999) CARBURETOR ASSEMBLY (ENGINE NO. 47PK9) Ricambi
Start
Toro Neu
Mowers, Walk-Behind
Seite 2
26680WG - Toro Lawnmower, 1990 (0000001-0999999)
CARBURETOR ASSEMBLY (ENGINE NO. 47PK9)
CARBURETOR ASSEMBLY (ENGINE NO. 47PK9) 26680WG - Toro Lawnmower, 1990 (0000001-0999999)
Posizione
Articolo numero
Descrizione
1
TR81-5450
Stehbolzen
2
TR81-0090
GASKET-AIR CLEANER
3
TR81-0240
4
TR81-0230
Feder
5
TR81-0220
Buechse
6
TR81-2160
Schraube
7
TR81-1950
Chokewelle
8
TR81-0250
SHAFT
9
TR81-0260
PLATE
10
TR81-2160
Schraube
11
TR81-1030
Duese(40)
13
TR81-5490
Schild
14
TR81-5440
INSULATOR-CARBURETOR
15
TR81-0780
Dichtung
16
TR81-2600
PIN-HINGE
17
TR81-4910
NEEDLE
18
TR81-1060
Hauptduese
TR81-2340
Duese
19
TR81-0970
Schwimmer
20
TR81-1010
Dichtung
21
TR81-5660
Schwimmergehaeuse
22
TR81-1020
Dichtung
23
TR81-5670
Schraube
24
TR81-5460
DISCONTINUED
25
TR81-5470
Schlauch
TR12-6379
Vergaser-Rep.-Satz
TR81-2520
Vergaser
Gestione della qualità
Aiutaci a migliorare il nostro sito. Informaci se trovi un errore.