.it
Carrello
vuoto
Il mio account
Registrati
Log in
Benvenuti
Contatti
Spedizione
L’azienda
Guest book
Condizioni e Privacy
Catalogare
Tagliare, profilare
Componenti per motore
Officine meccaniche
Parti e componentistica per macchine varie
Forestali
Articoli elettrici
Articoli invernali
Cinghie trapezoidali e relative pulegge
Filters
PEZZI DI RICAMBIO
Sprocket Rims
Guide Bars
Chainsaw Chains
Search by Part Number
Diagrammi ed elenchi
Servizio
Determine Chain
Ricerca
DE
EN
FR
ES
IT
Versione mobile
Toro 26643 - Lawnmower, 1997 (7900001-7999999) GOVERNOR ASSEMBLY Ricambi
Start
Toro Neu
Mowers, Walk-Behind
Seite 2
26643 - Toro Lawnmower, 1997 (7900001-7999999)
GOVERNOR ASSEMBLY
GOVERNOR ASSEMBLY 26643 - Toro Lawnmower, 1997 (7900001-7999999)
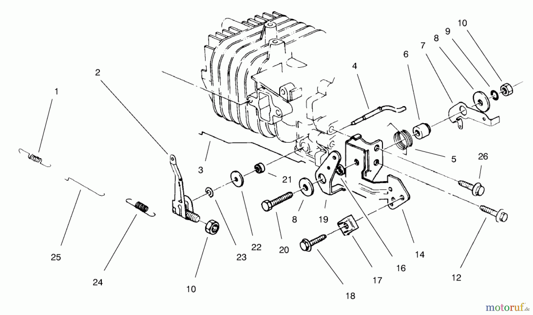
Posizione
Articolo numero
Descrizione
1
TR81-0920
Feder
2
TR81-5420
ARM-GOVERNOR
3
TR81-5410
Hebel
4
TR81-0840
REGLERWELLE
5
TR81-2460
SPRING-CHOKE LEVER
6
TR81-5780
Distanzbuechse
7
TR81-2850
Hebel
8
TR81-1750
Scheibe
9
TR81-1450
Scheibe
10
TR81-0900
Mutter
12
TR81-0540
Schraube
14
TR81-2420
BRACKET-THROTTLE, CONTROL
16
TR81-2470
Scheibe
17
TR81-2430
Bowdenzugklemme
18
TR50-0130
Schraube
19
TR81-1710
Hebel
20
TR81-1730
Schraube
21
TR81-0850
Simmerring
22
TR81-0860
Scheibe
23
TR81-0870
E-RING
24
TR81-2830
Feder
25
TR81-0910
Gestaenge
26
TR81-1170
Schraube
Gestione della qualità
Aiutaci a migliorare il nostro sito. Informaci se trovi un errore.