.it
Carrello
vuoto
Il mio account
Registrati
Log in
Benvenuti
Contatti
Spedizione
L’azienda
Guest book
Condizioni e Privacy
Catalogare
Tagliare, profilare
Componenti per motore
Officine meccaniche
Parti e componentistica per macchine varie
Forestali
Articoli elettrici
Articoli invernali
Cinghie trapezoidali e relative pulegge
Filters
PEZZI DI RICAMBIO
Sprocket Rims
Guide Bars
Chainsaw Chains
Search by Part Number
Diagrammi ed elenchi
Servizio
Determine Chain
Ricerca
DE
EN
FR
ES
IT
Versione mobile
Toro 26640BC - Lawnmower, 1995 (5900001-5999999) ENGINE ASSEMBLY Ricambi
Start
Toro Neu
Mowers, Walk-Behind
Seite 2
26640BC - Toro Lawnmower, 1995 (5900001-5999999)
ENGINE ASSEMBLY
ENGINE ASSEMBLY 26640BC - Toro Lawnmower, 1995 (5900001-5999999)
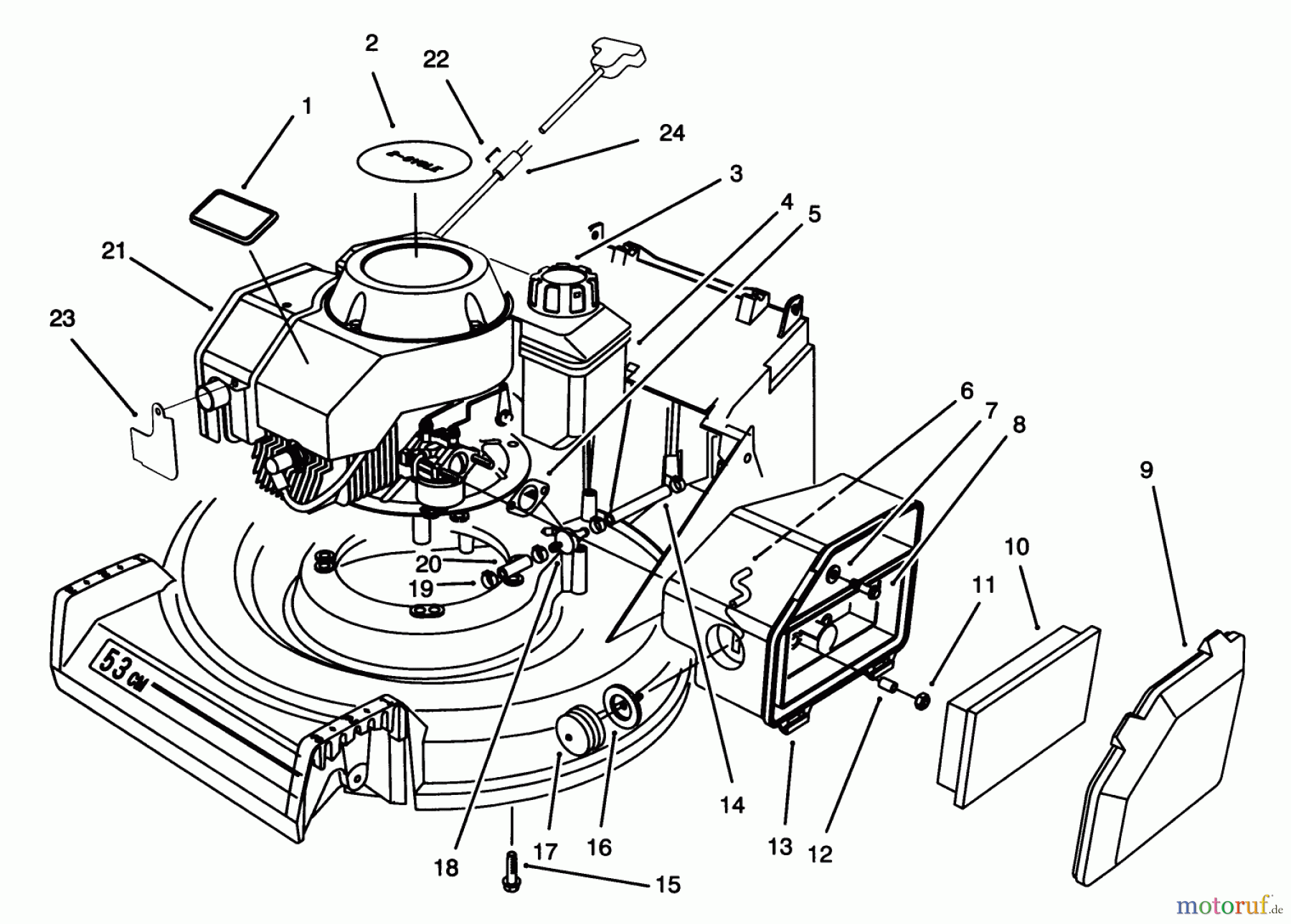
Posizione
Articolo numero
Descrizione
1
TR98-3206
Toro-Klebeschild
2
TR57-3110
Klebeschild
3
TR93-7199
Tankdeckel
4
TR81-0162
Tank
5
TR81-0090
GASKET-AIR CLEANER
6
TR44-3172
HOSE-PRIMER F
7
TR3256-16
WASHER-FLAT
8
TR51-2690
Schraube
9
TR63-9340
Luftfilterdeckel
10
TR63-9380
Filtereinsatz
11
TR50-7180
Mutter
12
TR62-3980
Buechse
13
TR063-9330
14
TR51-3215
HOSE-FUEL
15
TR3234-24
Schraube
16
TR44-2750
Primer-Koerper
17
TR66-7460
Primerknopf
18
TR71-9280
FILTER-FUEL
19
TR2412-95
CLAMP-FUEL LINE
20
TR51-3216
Benzinschlauch
21
TR12-8099
SHORTBLOCK
22
TR
23
TR93-7661
LEITBLECH
24
TR81-3980
Seilstopper
Gestione della qualità
Aiutaci a migliorare il nostro sito. Informaci se trovi un errore.