.it
Carrello
vuoto
Il mio account
Registrati
Log in
Benvenuti
Contatti
Spedizione
L’azienda
Guest book
Condizioni e Privacy
Catalogare
Tagliare, profilare
Componenti per motore
Officine meccaniche
Parti e componentistica per macchine varie
Forestali
Articoli elettrici
Articoli invernali
Cinghie trapezoidali e relative pulegge
Filters
PEZZI DI RICAMBIO
Sprocket Rims
Guide Bars
Chainsaw Chains
Search by Part Number
Diagrammi ed elenchi
Servizio
Determine Chain
Ricerca
DE
EN
FR
ES
IT
Versione mobile
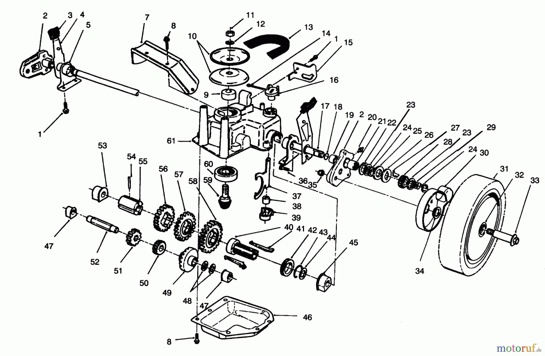
Toro 26640B - Lawnmower, 1993 (3900001-3999999) GEAR CASE ASSEMBLY Ricambi
Start
Toro Neu
Mowers, Walk-Behind
Seite 2
26640B - Toro Lawnmower, 1993 (3900001-3999999)
GEAR CASE ASSEMBLY
GEAR CASE ASSEMBLY 26640B - Toro Lawnmower, 1993 (3900001-3999999)
Posizione
Articolo numero
Descrizione
1
TR32144-70
Schraube
2
TR65-5042
Hoeheneinstellhebel
3
TR25-7740
Hebelknopf
4
TR65-5440
Stellhebel
5
TR66-0360
Kappe
7
TR65-5190-03
Halter
8
TR49-2040
Schraube
9
TR62-6660
Distanzstueck
10
TR100-1176
Riemenscheibenhaelfte
11
TR3296-5
Stopmutter
12
TR3256-24
WASHER-FLAT
13
TR66-0210
KEILRIEMEN
14
TR3272-5
Splint
15
TR76-2930
Klemme
16
TR76-0920
Schaltfinger
17
TR65-4770
Welle
18
TR237-153
O-Ring
19
TR70-9760
Buechse
20
TR302-56
Schmiernippel
21
TR48-2060
Nadellager
22
TR65-4730
WASHER-ARM, PIVOT
23
TR65-4740
Druckscheibe
24
TR65-2720
Sicherungsring
25
TR65-4710
Gummiring
26
TR65-4760
Kupplungsscheibe
27
TR66-6050
Freilaufsperre Li.
TR66-6040
Freilaufsperre Re.
28
TR65-4750
Antriebsritzel
29
TR65-4720
Feder
30
TR74-1660
Radabdeckung
31
TR14-9959
Rad
32
TR27-6250
Buchse
33
TR27-6231
Radbolzen
34
TR74-1670
SPACER-COVER, WHEEL
35
TR3296-6
NUT-LOCK
36
TR65-5220
Schraube
37
TR60-8870
Schaltklaue
38
TR29-9570
Buchse
39
TR608810
Federteller
40
TR76-0780
Zahnwelle
41
TR76-0760
Schiebekeil
42
TR76-0770
Schaltring
43
TR65-5250
Sicherungsring
44
TR36-4780
Scheibe
45
TR60-8770
Buechse
46
TR60-8730-03
Getriebedeckel
47
TR60-8750
Buechse
48
TR36-4791
Lagerscheibe
49
TR104-7668
Zahnrad
50
TR55-3780
Zahnrad
51
TR55-3800
Zahnrad
52
TR614696
Getriebewelle
53
TR608850
Schraube
54
TR32121-120
PIN-SPRING
55
TR60-8790
Mitnehmerwelle
56
TR55-3810
Zahnrad
57
TR55-3790
GEAR-44T
58
TR55-3770
Zahnrad
59
TR104-7667
GEAR-PINION, BEVEL
60
TR38-7820
Kugellager
61
TR60-8710
Getriebegehaeuse
TR62-6673
Getriebe Kpl.
Gestione della qualità
Aiutaci a migliorare il nostro sito. Informaci se trovi un errore.