Toro 26640B - Lawnmower, 1993 (3900001-3999999) BLADE ASSEMBLY Ricambi
BLADE ASSEMBLY 26640B - Toro Lawnmower, 1993 (3900001-3999999)

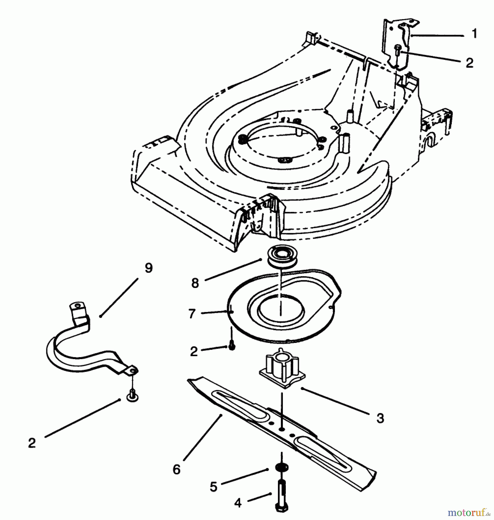
| Posizione | Articolo numero | Descrizione | |
| 1 | TR66-0030-03 | Seilfuehrung | |
| 2 | TR32144-70 | Schraube | |
| 3 | TR62-7540 | Messernabe | |
| 4 | TR26-0670 | Schraube | |
| 5 | TR3253-22 | Federring | |
| 6 | TR62-7700-03 | Messer | |
| 7 | TR65-5200-03 | Abdeckung | |
| 8 | TR62-7550 | PULLEY-DRIVE, ZONE START | |
| 9 | TR66-0570-03 | Riemenfuehrung | |


Gestione della qualità
Aiutaci a migliorare il nostro sito. Informaci se trovi un errore.

