.it
Carrello
vuoto
Il mio account
Registrati
Log in
Benvenuti
Contatti
Spedizione
L’azienda
Guest book
Condizioni e Privacy
Catalogare
Tagliare, profilare
Componenti per motore
Officine meccaniche
Parti e componentistica per macchine varie
Forestali
Articoli elettrici
Articoli invernali
Cinghie trapezoidali e relative pulegge
Filters
PEZZI DI RICAMBIO
Sprocket Rims
Guide Bars
Chainsaw Chains
Search by Part Number
Diagrammi ed elenchi
Servizio
Determine Chain
Ricerca
DE
EN
FR
ES
IT
Versione mobile
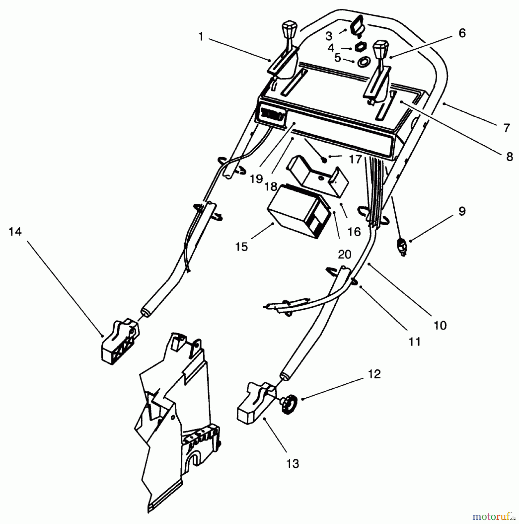
Toro 26636B - Lawnmower, 1996 (6900001-6999999) HANDLE ASSEMBLY Ricambi
Start
Toro Neu
Mowers, Walk-Behind
Seite 2
26636B - Toro Lawnmower, 1996 (6900001-6999999)
HANDLE ASSEMBLY
HANDLE ASSEMBLY 26636B - Toro Lawnmower, 1996 (6900001-6999999)
Posizione
Articolo numero
Descrizione
1
TR93-6632
Bowdenzug
3
TR63-8360
Schluessel
4
TR218-461
NUT-HH
5
TR3254-5
FEDERRING
6
TR93-6631
Gasbowdenzug
7
TR94-4910
HANDLE
8
TR93-6660
DISCONTINUED
9
TR46-5780
Zuendschloss
10
TR80-4795
Kabelbaum
11
TR3290-378
KABELHALTER
12
TR19-4050
DREHKNOPF
13
TR71-8090
Schiebestangenhalter Li.
14
TR71-8100
Schiebestangenhalter Re.
15
TR55-7520
BATTERIE
16
TR55-8180-03
BATTERIEHALTER
17
TR92-9665
Schraube
18
TR16-8759
PANEELE
19
TR71-9871
Toro-Logo
20
TR93-6668
Klebeschild
TR98-2391
LADEGERAET
Gestione della qualità
Aiutaci a migliorare il nostro sito. Informaci se trovi un errore.