.it
Carrello
vuoto
Il mio account
Registrati
Log in
Benvenuti
Contatti
Spedizione
L’azienda
Guest book
Condizioni e Privacy
Catalogare
Tagliare, profilare
Componenti per motore
Officine meccaniche
Parti e componentistica per macchine varie
Forestali
Articoli elettrici
Articoli invernali
Cinghie trapezoidali e relative pulegge
Filters
PEZZI DI RICAMBIO
Sprocket Rims
Guide Bars
Chainsaw Chains
Search by Part Number
Diagrammi ed elenchi
Servizio
Determine Chain
Ricerca
DE
EN
FR
ES
IT
Versione mobile
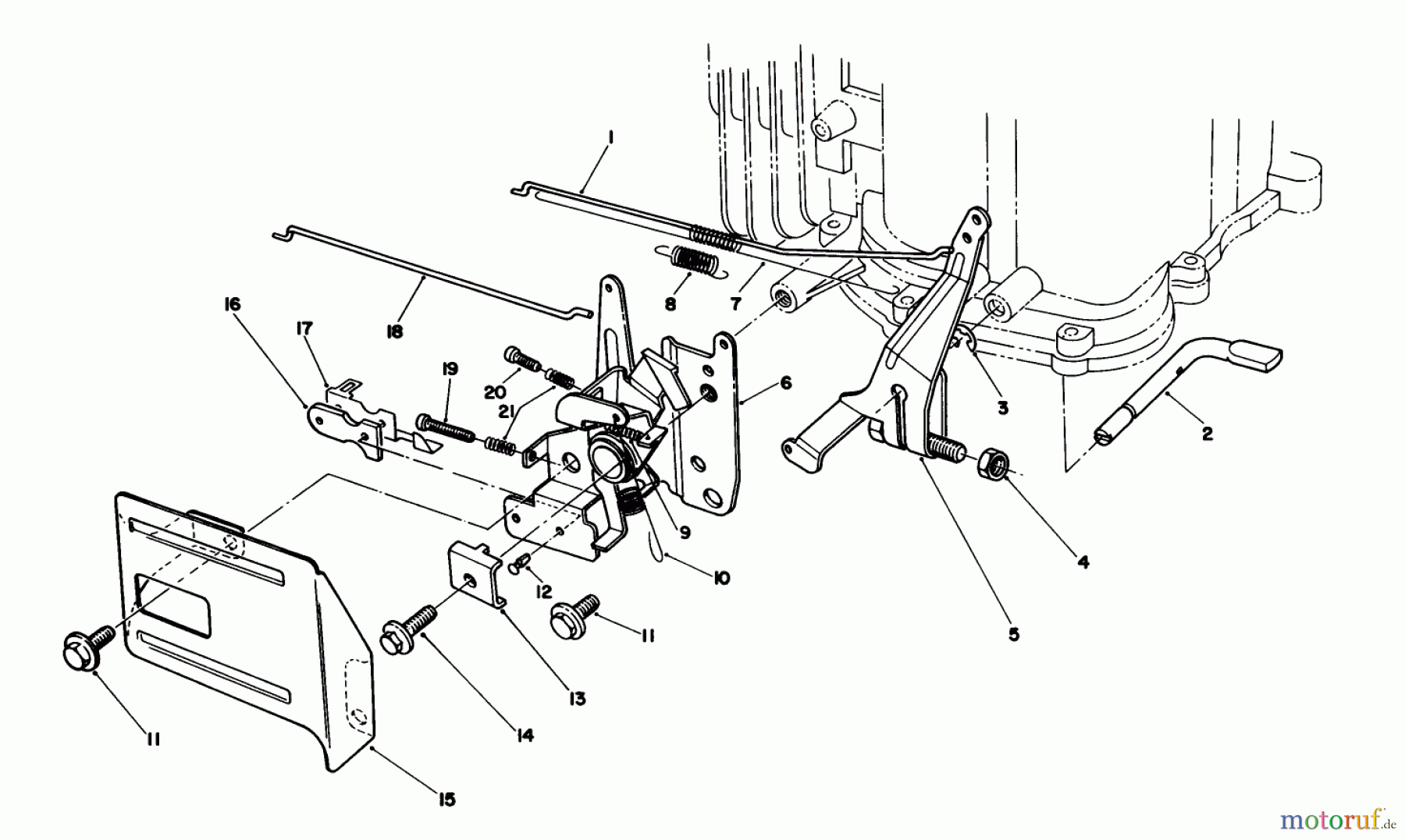
Toro 26620CG - Lawnmower, 1989 (9000001-9999999) GOVERNOR ASSEMBLY (ENGINE NO. VMJ8) Ricambi
Start
Toro Neu
Mowers, Walk-Behind
Seite 2
26620CG - Toro Lawnmower, 1989 (9000001-9999999)
GOVERNOR ASSEMBLY (ENGINE NO. VMJ8)
GOVERNOR ASSEMBLY (ENGINE NO. VMJ8) 26620CG - Toro Lawnmower, 1989 (9000001-9999999)
Posizione
Articolo numero
Descrizione
1
TR81-4450
DISCONTINUED
2
TR81-4480
DISCONTINUED
3
TR81-4540
DISCONTINUED
4
TR81-3760
Mutter
5
TR81-4500
DISCONTINUED
6
TR81-4510
Grundplatte
7
TR81-4470
Feder
8
TR81-4460
Feder
9
TR81-4570
SPRING
10
TR81-4520
Feder
11
TR81-1170
Schraube
12
TR81-4530
RIVET
13
TR81-1690
Bowdenzugklemme
14
TR50-0130
Schraube
15
TR57-5750
Schutzblech
16
TR81-1830
Isolierstueck
17
TR81-1840
Anschlag
18
TR81-4770
Gestaenge
19
TR81-4560
Schraube
20
TR81-4550
DISCONTINUED
21
TR81-2900
Feder
Gestione della qualità
Aiutaci a migliorare il nostro sito. Informaci se trovi un errore.