.it
Carrello
vuoto
Il mio account
Registrati
Log in
Benvenuti
Contatti
Spedizione
L’azienda
Guest book
Condizioni e Privacy
Catalogare
Tagliare, profilare
Componenti per motore
Officine meccaniche
Parti e componentistica per macchine varie
Forestali
Articoli elettrici
Articoli invernali
Cinghie trapezoidali e relative pulegge
Filters
PEZZI DI RICAMBIO
Sprocket Rims
Guide Bars
Chainsaw Chains
Search by Part Number
Diagrammi ed elenchi
Servizio
Determine Chain
Ricerca
DE
EN
FR
ES
IT
Versione mobile
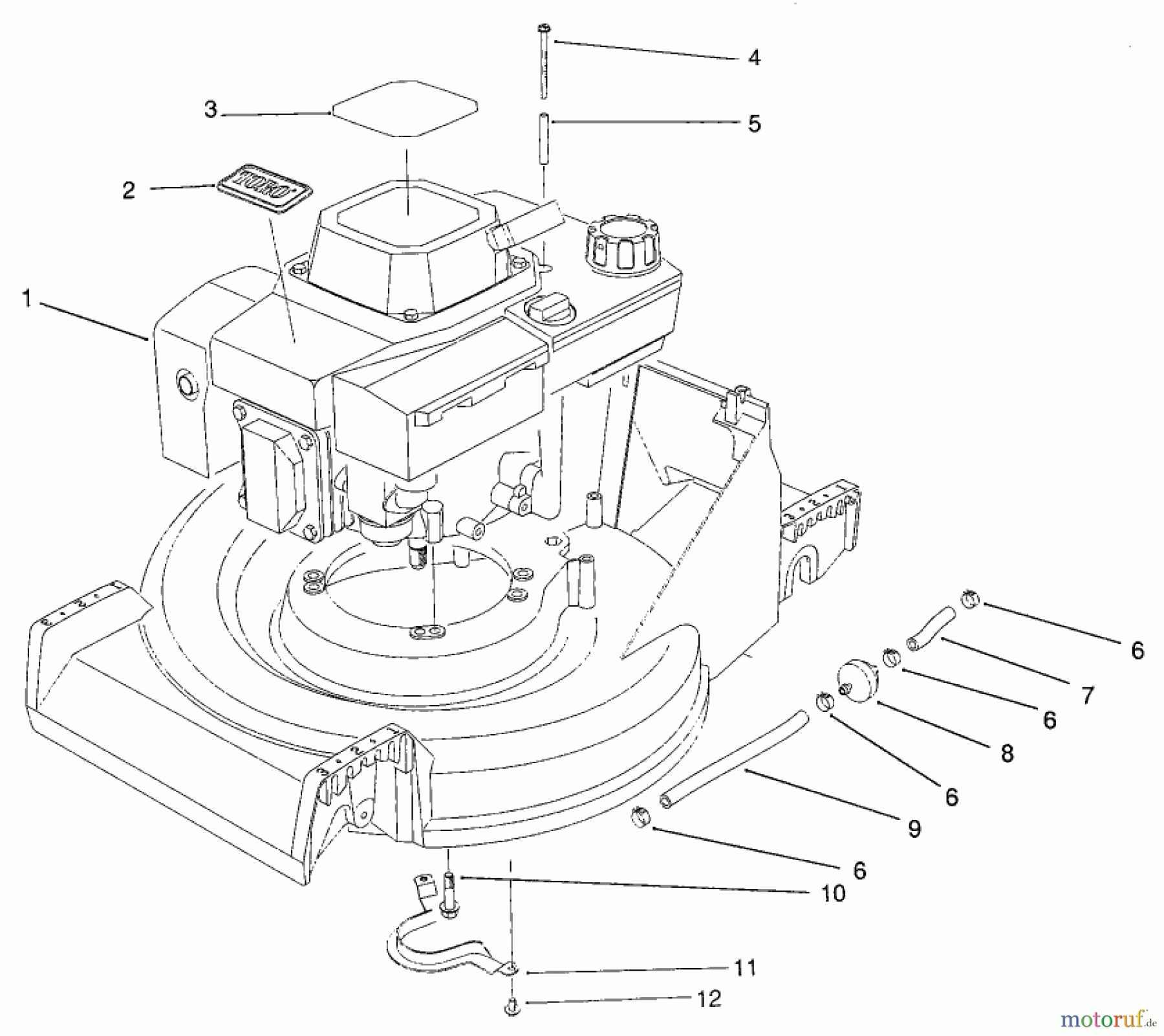
Toro 26620B - Lawnmower, 1992 (2000001-2999999) ENGINE ASSEMBLY Ricambi
Start
Toro Neu
Mowers, Walk-Behind
Seite 2
26620B - Toro Lawnmower, 1992 (2000001-2999999)
ENGINE ASSEMBLY
ENGINE ASSEMBLY 26620B - Toro Lawnmower, 1992 (2000001-2999999)
Posizione
Articolo numero
Descrizione
1
TR72-4144
DISCONTINUED
2
TR98-3206
Toro-Klebeschild
3
TR57-3120
DISCONTINUED
TR55-8070
Schild
4
TR56-6610
Schraube
5
TR57-3830
Huelse
6
TR2412-95
CLAMP-FUEL LINE
7
TR51-3211
Benzinleitung
8
TR56-6360
VORFILTER
9
TR51-3214
Benzinleitung
10
TR32144-102
Schraube
11
TR66-0570-03
Riemenfuehrung
12
TR32144-70
Schraube
TR75-9850
Oelablass Schlauch
TR66-1970
DISCONTINUED
TR66-1971
DISCONTINUED
TR62-6770
DISCONTINUED
TR46-9620
ZUENDKERZENSCHLUESSEL
TR46-9621
Gestione della qualità
Aiutaci a migliorare il nostro sito. Informaci se trovi un errore.