.it
Carrello
vuoto
Il mio account
Registrati
Log in
Benvenuti
Contatti
Spedizione
L’azienda
Guest book
Condizioni e Privacy
Catalogare
Tagliare, profilare
Componenti per motore
Officine meccaniche
Parti e componentistica per macchine varie
Forestali
Articoli elettrici
Articoli invernali
Cinghie trapezoidali e relative pulegge
Filters
PEZZI DI RICAMBIO
Sprocket Rims
Guide Bars
Chainsaw Chains
Search by Part Number
Diagrammi ed elenchi
Servizio
Determine Chain
Ricerca
DE
EN
FR
ES
IT
Versione mobile
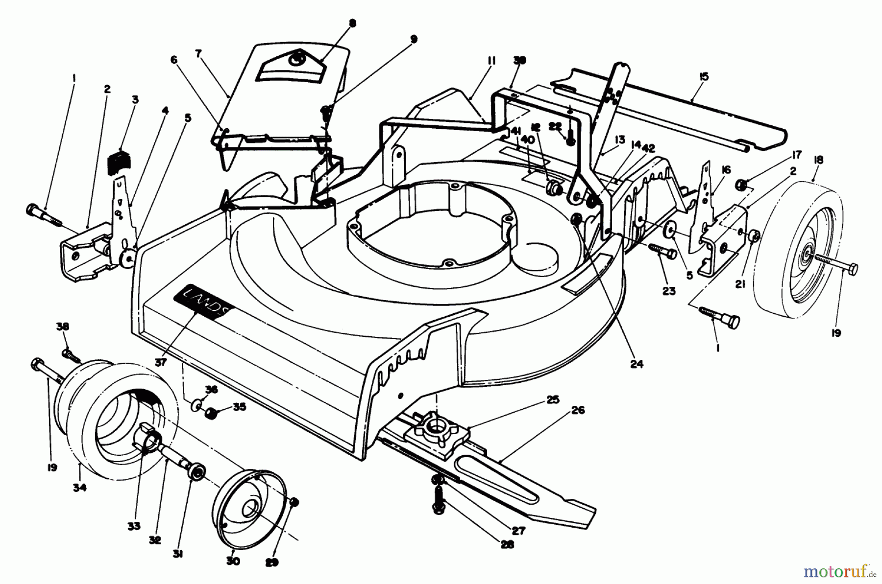
Toro 22580 - Lawnmower, 1991 (1000001-1999999) HOUSING ASSEMBLY Ricambi
Start
Toro Neu
Mowers, Walk-Behind
Seite 2
22580 - Toro Lawnmower, 1991 (1000001-1999999)
HOUSING ASSEMBLY
HOUSING ASSEMBLY 22580 - Toro Lawnmower, 1991 (1000001-1999999)
Posizione
Articolo numero
Descrizione
1
TR44-5271
Bolzen
2
TR47-2940
Radlasche
3
TR25-7740
Hebelknopf
4
TR66-9270
SPRING ARM ASSEMBLY
TR66-9280
SPRING ARM ASSEMBLY
5
TR33-0390
Scheibe
6
TR20-2640
SPRING HINGE
7
TR13-4049
DISCONTINUED
TR13-5909
Auswurfblech
8
TR39-5770
Schild
8
TR93-6667
DECAL-WARNING
9
TR46-6811
Schraube
11
TR13-2439
DISCONTINUED
12
TR27-6520
HANDLE PIVOT NUT
13
TR27-7081
DISCONTINUED
14
TR3-3287
Buechse
15
TR66-5990
Schutzschild
16
TR66-9260
Stellhebel Li.
TR66-9250
Stellhebel Re.
17
TR32-9639
18
TR121-1380
WHEEL AND TIRE ASM
19
TR3231-2
Schraube
21
TR52-2480
Buechse
22
TR46-8091
Schraube
23
TR322-10
Schraube
24
TR3217-6
NUT-HEX
25
TR49-7900
BLADE RETAINER
26
TR20-2720-03
BLADE-21"
27
TR3253-22
Federring
28
TR26-0671
SCHRAUBE
29
TR3296-42
Mutter
30
TR121-1365-06
RIM-HALF, WHEEL
31
TR52-2450
Radlager
32
TR52-2440
Radbuechse
33
TR52-2410
Radnabe
34
TR53-7740
Reifen
35
TR3296-29
Mutter
36
TR3290-456
Tellerscheibe
37
TR74-2050
DISCONTINUED
38
TR321-2
Schraube
39
TR74-2030
DISCONTINUED
40
TR
41
TR
42
TR
Gestione della qualità
Aiutaci a migliorare il nostro sito. Informaci se trovi un errore.