.it
Benvenuti
Contatti
Spedizione
L’azienda
Guest book
Condizioni e Privacy
Catalogare
Tagliare, profilare
Componenti per motore
Officine meccaniche
Parti e componentistica per macchine varie
Forestali
Articoli elettrici
Articoli invernali
Cinghie trapezoidali e relative pulegge
Filters
PEZZI DI RICAMBIO
Sprocket Rims
Guide Bars
Chainsaw Chains
Search by Part Number
Diagrammi ed elenchi
Servizio
Determine Chain
Ricerca
Il mio account
Registrati
Log in
Settings
DE
EN
FR
ES
IT
Desktop
Toro 22525 - Lawnmower, 1987 (7000001-7999999) RECOIL ASSEMBLY Ricambi
Start
Toro Neu
Mowers, Walk-Behind
Seite 2
22525 - Toro Lawnmower, 1987 (7000001-7999999)
RECOIL ASSEMBLY
RECOIL ASSEMBLY 22525 - Toro Lawnmower, 1987 (7000001-7999999)
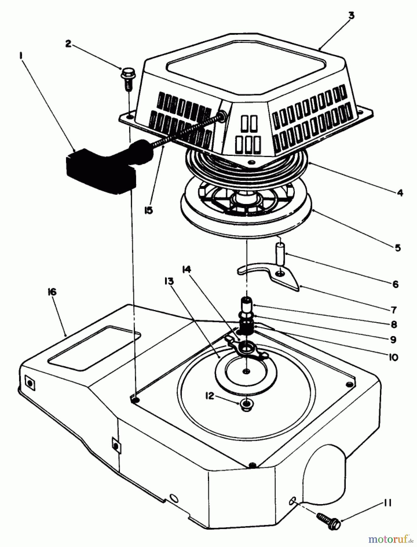
Posizione
Articolo numero
Descrizione
1
TR81-4000
Startergriff
2
TR81-1280
Schraube
3
TR81-3970
DISCONTINUED
4
TR81-4010
SPRING
5
TR81-4020
Seilscheibe
6
TR81-4030
DISCONTINUED
7
TR81-4040
Starterklinge
8
TR81-4050
DISCONTINUED
9
TR81-4060
Scheibe
10
TR81-4070
DISCONTINUED
11
TR81-1170
Schraube
12
TR81-4100
NUT
13
TR81-4090
Reibscheibe
14
TR81-4080
DISCONTINUED
15
TR613773
ROPE - NATURAL (#5.5, 97" LONG
16
TR81-4790
SHROUD
TR81-3270
RECOIL ASM (F/W & PPP)
Gestione della qualità
Aiutaci a migliorare il nostro sito. Informaci se trovi un errore.