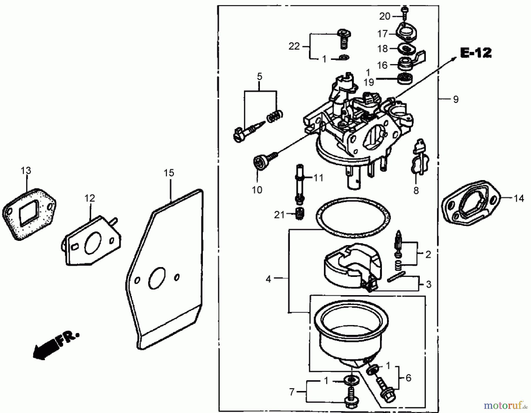
Toro 22168 - 21" Heavy-Duty Recycler/Rear Bagger Lawnmower, 2007 (270000001-270999999) CARBURETOR ASSEMBLY HONDA GXV160A1 T1AH Ricambi
CARBURETOR ASSEMBLY HONDA GXV160A1 T1AH 22168 - Toro 21" Heavy-Duty Recycler/Rear Bagger Lawnmower, 2007 (270000001-270999999)




