Toro 22167 - 21" Heavy-Duty Recycler/Rear Bagger Lawnmower, 2003 (230000001-230999999) RECOIL STARTER ASSEMBLY HONDA GXV160K1 A1 Ricambi
RECOIL STARTER ASSEMBLY HONDA GXV160K1 A1 22167 - Toro 21" Heavy-Duty Recycler/Rear Bagger Lawnmower, 2003 (230000001-230999999)

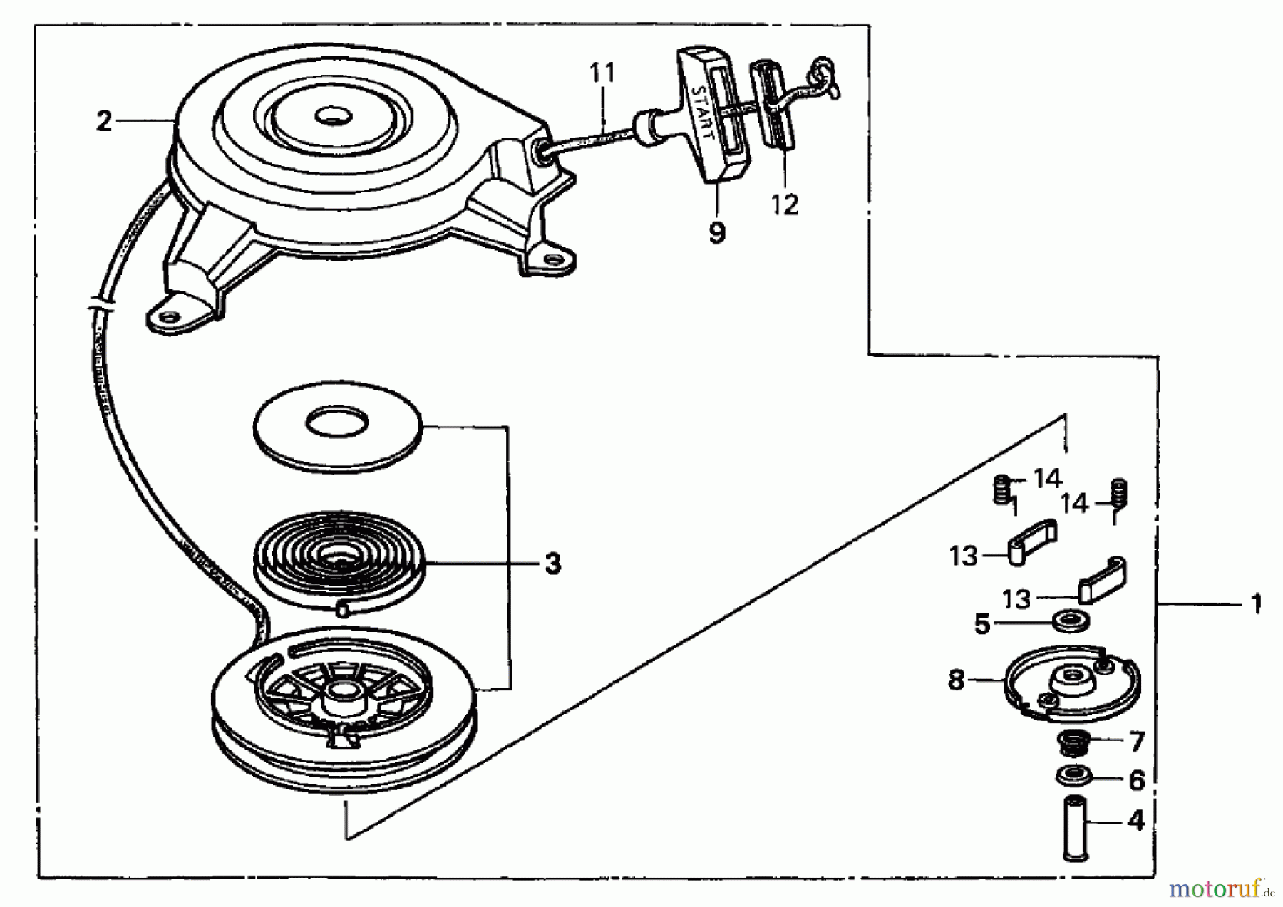
| Posizione | Articolo numero | Descrizione | |
| 1 | Honda 28400-ZG9-803 | ||
| 3 | Honda 28415-ZG9-802 | ||
| 4 | Honda 28419-ZG9-802 | ||
| 5 | Honda 28431-ZG9-802 | ||
| 6 | Honda 28432-ZG9-802 | ||
| 7 | Honda 28441-ZG9-802 | ||
| 8 | Honda 28444-ZG9-802 | ||
| 9 | Honda 28461-ZE6-T02 | ||
| 11 | Honda 28462-ZG9-802 | ||
| 12 | Honda 28463-ZE6-T02 | ||
| 13 | Honda 28485-ZE6-T02 | ||
| 14 | Honda 28486-ZE6-T02 | ||


Gestione della qualità
Aiutaci a migliorare il nostro sito. Informaci se trovi un errore.

