Toro 22043 - Lawnmower, 1996 (6900001-6999999) IGNITION ASSEMBLY (MODEL NO. 47PS5-3)(SERIAL NO. 6900001-7901902)(MODEL NO. 47PT7-3)(SERIAL NO. 7901903 & UP) Ricambi
IGNITION ASSEMBLY (MODEL NO. 47PS5-3)(SERIAL NO. 6900001-7901902)(MODEL NO. 47PT7-3)(SERIAL NO. 7901903 & UP) 22043 - Toro Lawnmower, 1996 (6900001-6999999)

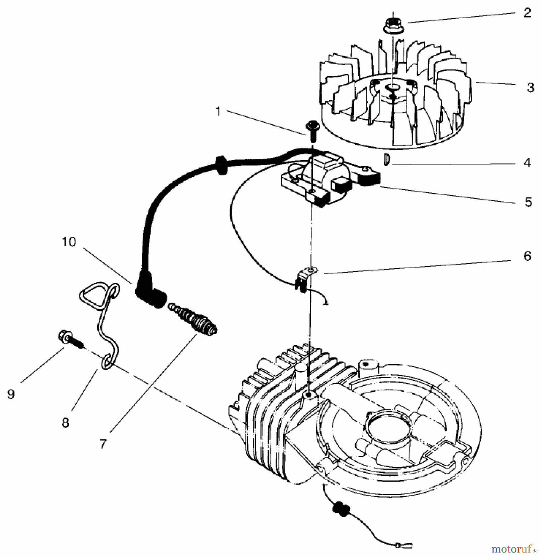
| Posizione | Articolo numero | Descrizione | |
| 1 | TR81-5680 | SCREW | |
| 2 | TR81-1330 | Mutter | |
| 3 | TR81-2810 | Schwungscheibe | |
| 4 | TR81-2370 | Keil | |
| 5 | TR81-2820 | COIL-MAGNETO | |
| 6 | TR81-1480 | Klemme | |
| 7 | TR50-1170 | Zuendkerze | |
| 8 | TR106-0832 | Kerzenschutz | |
| 9 | TR81-2350 | Schraube | |
| 10 | TR81-1500 | Zuendkerzenstecker | |
| TR41-7650 | Schwungradabzieher Toro | ||


Gestione della qualità
Aiutaci a migliorare il nostro sito. Informaci se trovi un errore.

