.it
Carrello
vuoto
Il mio account
Registrati
Log in
Benvenuti
Contatti
Spedizione
L’azienda
Guest book
Condizioni e Privacy
Catalogare
Tagliare, profilare
Componenti per motore
Officine meccaniche
Parti e componentistica per macchine varie
Forestali
Articoli elettrici
Articoli invernali
Cinghie trapezoidali e relative pulegge
Filters
PEZZI DI RICAMBIO
Sprocket Rims
Guide Bars
Chainsaw Chains
Search by Part Number
Diagrammi ed elenchi
Servizio
Determine Chain
Ricerca
DE
EN
FR
ES
IT
Versione mobile
Toro 22043 - Lawnmower, 1994 (4900001-4999999) HOUSING ASSEMBLY Ricambi
Start
Toro Neu
Mowers, Walk-Behind
Seite 2
22043 - Toro Lawnmower, 1994 (4900001-4999999)
HOUSING ASSEMBLY
HOUSING ASSEMBLY 22043 - Toro Lawnmower, 1994 (4900001-4999999)
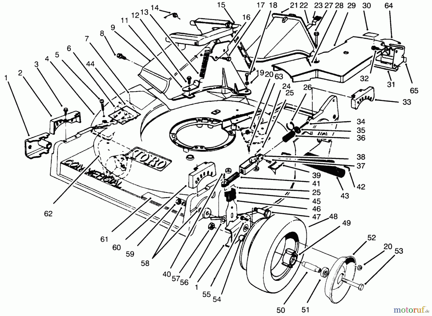
Posizione
Articolo numero
Descrizione
1
TR61-8300
Radaufhaengung
2
TR49-8770
QUADRANT-FRONT, RH
3
TR49-2040
Schraube
4
TR14-9479
DISCONTINUED
5
TR32144-111
SCREW-PPH
6
TR92-1730
Deflektor
7
TR43-8480
DECAL-DANGER
8
TR46-6810
Schraube
9
TR82-9150
GRASLEITBLECH
11
TR71-9350
Federaufhaengung
12
TR46-6811
Schraube
13
TR76-4660
Zugfeder
14
TR80-3770
RETAINER-DOOR
15
TR77-0200
Klappe
16
TR76-4570
Raste
17
TR46-8090
Schraube
18
TR321-7
Schraube
19
TR3256-22
Scheibe
20
TR3296-42
Mutter
21
TR77-0500
Stopfen
22
TR76-4640
Hebel
23
TR76-4650
Griff
24
TR92-1750
Deflektor
25
TR3272-1
Splint
26
TR3290-378
KABELHALTER
27
TR37-7260
Schraube
28
TR3295-35
Niete
29
TR86-5230
Getriebeabdeckung
30
TR52-2620
LABEL-GREASE
31
TR74-1741
Getriebeaufhaengung
32
TR32144-70
Schraube
33
TR49-8740
Schaltkuilisse
TR49-8750
QUADRANT-REAR, RH
34
TR46-7040
Schraube
35
TR65-5280
Federaufhaengung
36
TR84-9100
Feder
37
TR84-9040
Bolzen
38
TR84-8880-03
Federfuehrung
39
TR46-7370
Schild
40
TR84-9050
PIN-SPRING
41
TR106-0842
Federfoehrung
42
TR33-3208
ROD-SHIELD
43
TR112-9989
SHIELD-TRAILING
44
TR71-9370
DISCONTINUED
45
TR25-7740
Hebelknopf
46
TR66-7560
Stellh.Kpl.Vorn
47
TR114-3468
SCREW-SHOULDER
48
TR53-7740
Reifen
49
TR52-2410
Radnabe
50
TR52-2440
Radbuechse
51
TR52-2450
Radlager
52
TR121-1365-06
RIM-HALF, WHEEL
53
TR3231-2
Schraube
54
TR52-2480
Buechse
55
TR321-2
Schraube
56
TR257-3
WASHER-THRUST
57
TR32152-2
NUT-LOCK, CONE
58
TR40-1940
Scheibe
59
TR3296-6
NUT-LOCK
60
TR49-8760
Schalthebelkulisse
61
TR92-1796
DECAL - RECYCLER
62
TR92-1720
Deflektor
63
TR323-6
Schraube
64
TR46-7030
RETAINER-CABLE
65
TR74-1970
Klebeschild
TR121-1380
WHEEL AND TIRE ASM
Gestione della qualità
Aiutaci a migliorare il nostro sito. Informaci se trovi un errore.