.it
Benvenuti
Contatti
Spedizione
L’azienda
Guest book
Condizioni e Privacy
Catalogare
Tagliare, profilare
Componenti per motore
Officine meccaniche
Parti e componentistica per macchine varie
Forestali
Articoli elettrici
Articoli invernali
Cinghie trapezoidali e relative pulegge
Filters
PEZZI DI RICAMBIO
Sprocket Rims
Guide Bars
Chainsaw Chains
Search by Part Number
Diagrammi ed elenchi
Servizio
Determine Chain
Ricerca
Il mio account
Registrati
Log in
Settings
DE
EN
FR
ES
IT
Desktop
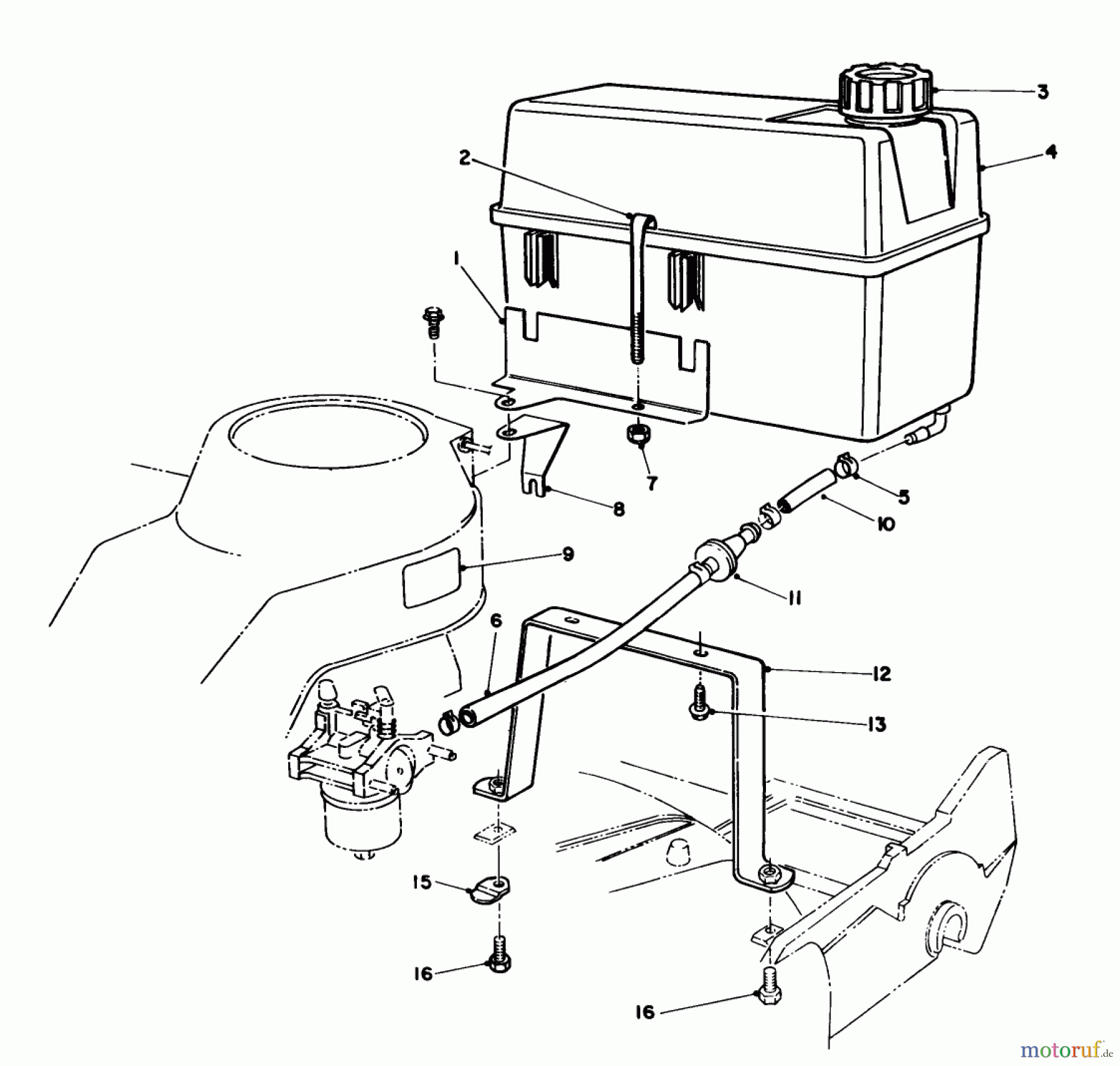
Toro 22043 - Lawnmower, 1993 (3900965-3999999) GAS TANK ASSEMBLY Ricambi
Start
Toro Neu
Mowers, Walk-Behind
Seite 2
22043 - Toro Lawnmower, 1993 (3900965-3999999)
GAS TANK ASSEMBLY
GAS TANK ASSEMBLY 22043 - Toro Lawnmower, 1993 (3900965-3999999)
Posizione
Articolo numero
Descrizione
1
TR74-2110-03
BRACKET-TANK
2
TR77-2840
Tankhalterung
3
TR55-3575
GAS CAP ASM
4
TR17-4909
Tank
5
TR2412-95
CLAMP-FUEL LINE
6
TR51-3214
Benzinleitung
7
TR3296-42
Mutter
8
TR77-0520-03
Tankhalterung
9
TR62-7600
Klebeschild
10
TR51-3211
Benzinleitung
11
TR71-9280
FILTER-FUEL
12
TR84-9160-03
Tankhalterung
13
TR46-8091
Schraube
15
TR84-8930
Lasche
16
TR323-7
Schraube
Gestione della qualità
Aiutaci a migliorare il nostro sito. Informaci se trovi un errore.