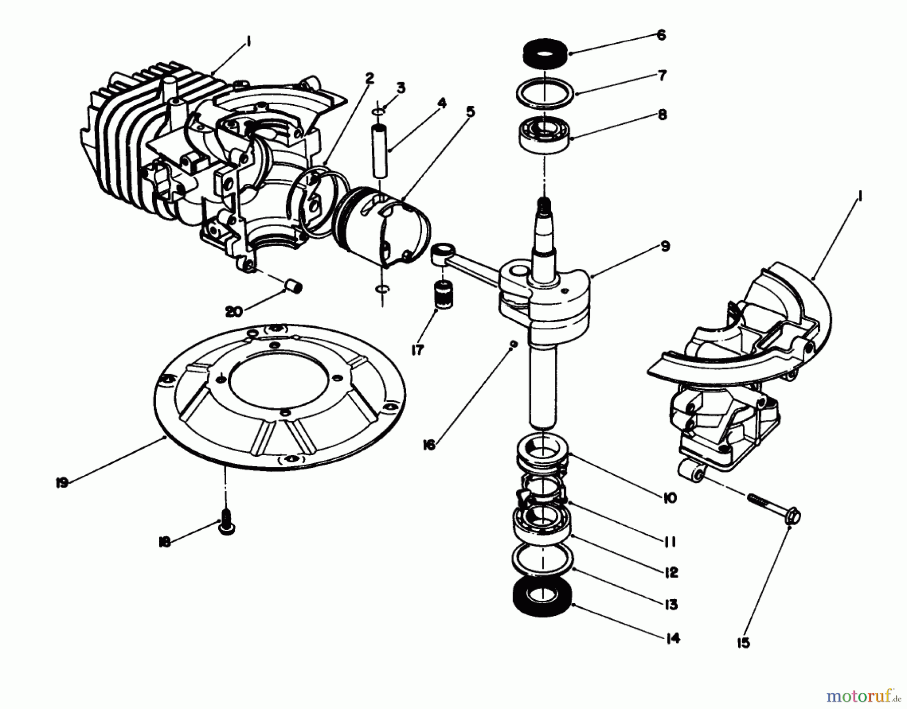
Toro 22043 - Lawnmower, 1993 (3900965-3999999) CRANKSHAFT ASSEMBLY (MODEL NO. 47PN2-7) Ricambi
CRANKSHAFT ASSEMBLY (MODEL NO. 47PN2-7) 22043 - Toro Lawnmower, 1993 (3900965-3999999)



Gestione della qualità
Aiutaci a migliorare il nostro sito. Informaci se trovi un errore.

