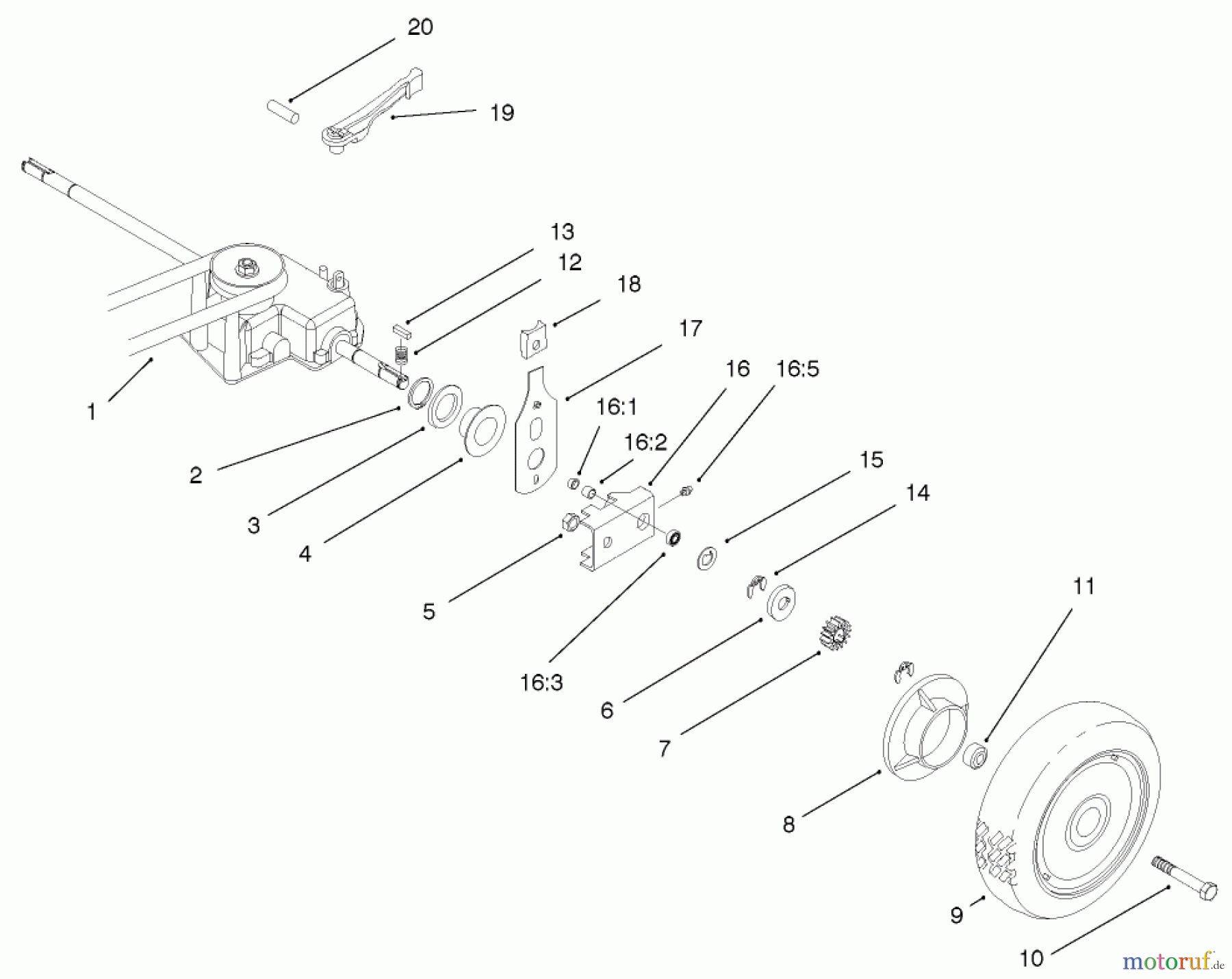
Toro 22040 - ProLine 21" Recycler II Lawnmower, 2003 (230000001-230999999) GEAR CASE AND REAR WHEEL ASSEMBLY Ricambi
GEAR CASE AND REAR WHEEL ASSEMBLY 22040 - Toro ProLine 21" Recycler II Lawnmower, 2003 (230000001-230999999)



Gestione della qualità
Aiutaci a migliorare il nostro sito. Informaci se trovi un errore.




