.it
Benvenuti
Contatti
Spedizione
L’azienda
Guest book
Condizioni e Privacy
Catalogare
Tagliare, profilare
Componenti per motore
Officine meccaniche
Parti e componentistica per macchine varie
Forestali
Articoli elettrici
Articoli invernali
Cinghie trapezoidali e relative pulegge
Filters
PEZZI DI RICAMBIO
Sprocket Rims
Guide Bars
Chainsaw Chains
Search by Part Number
Diagrammi ed elenchi
Servizio
Determine Chain
Ricerca
Il mio account
Registrati
Log in
Settings
DE
EN
FR
ES
IT
Desktop
Toro 22040 - Lawnmower, 1995 (5900001-5999999) HOUSING ASSEMBLY Ricambi
Start
Toro Neu
Mowers, Walk-Behind
Seite 2
22040 - Toro Lawnmower, 1995 (5900001-5999999)
HOUSING ASSEMBLY
HOUSING ASSEMBLY 22040 - Toro Lawnmower, 1995 (5900001-5999999)
Posizione
Articolo numero
Descrizione
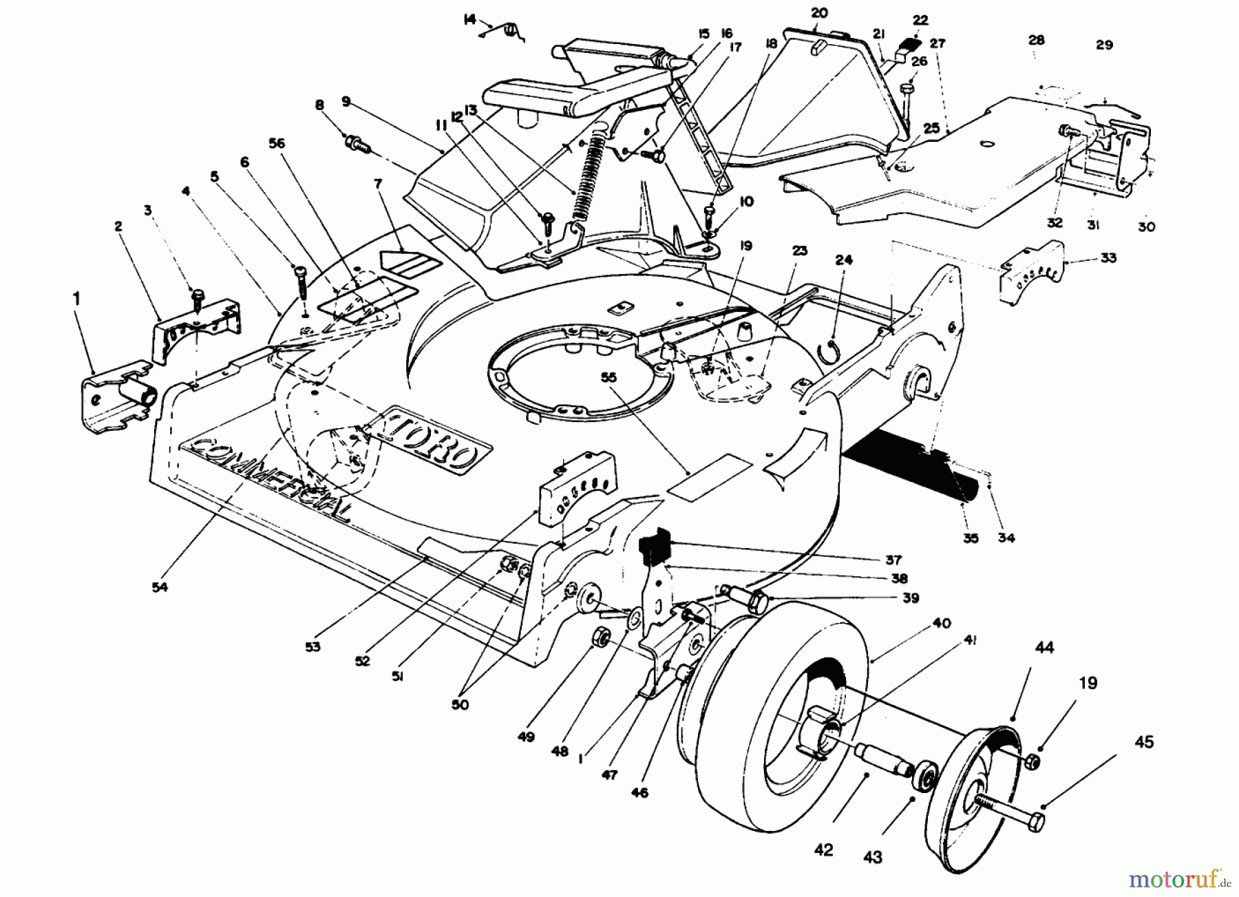
1
TR61-8300
Radaufhaengung
2
TR49-8770
QUADRANT-FRONT, RH
3
TR49-2040
Schraube
4
TR14-9499
HOUSING W/DECALS
5
TR32144-111
SCREW-PPH
6
TR92-1730
Deflektor
7
TR39-5770
Schild
8
TR46-6810
Schraube
9
TR82-9150
GRASLEITBLECH
10
TR3256-22
Scheibe
11
TR71-9350
Federaufhaengung
12
TR46-6811
Schraube
13
TR76-4660
Zugfeder
14
TR80-3770
RETAINER-DOOR
15
TR77-0200
Klappe
16
TR76-4570
Raste
17
TR46-8090
Schraube
18
TR321-7
Schraube
19
TR3296-42
Mutter
20
TR77-0500
Stopfen
21
TR76-4640
Hebel
22
TR76-4650
Griff
23
TR92-1750
Deflektor
24
TR3290-378
KABELHALTER
25
TR3295-35
Niete
26
TR37-7260
Schraube
27
TR74-1770
Keilriemenabdeckung
28
TR52-2620
LABEL-GREASE
29
TR46-7030
RETAINER-CABLE
30
TR74-1970
Klebeschild
31
TR74-1741
Getriebeaufhaengung
32
TR32144-70
Schraube
33
TR49-8740
Schaltkuilisse
TR49-8750
QUADRANT-REAR, RH
34
TR33-3208
ROD-SHIELD
35
TR112-9989
SHIELD-TRAILING
37
TR25-7740
Hebelknopf
38
TR66-7560
Stellh.Kpl.Vorn
39
TR114-3468
SCREW-SHOULDER
40
TR53-7740
Reifen
41
TR52-2410
Radnabe
42
TR52-2440
Radbuechse
43
TR52-2450
Radlager
44
TR121-1365-06
RIM-HALF, WHEEL
45
TR3231-2
Schraube
46
TR52-2480
Buechse
47
TR321-2
Schraube
48
TR257-3
WASHER-THRUST
49
TR32152-2
NUT-LOCK, CONE
50
TR40-1940
Scheibe
51
TR3296-6
NUT-LOCK
52
TR49-8760
Schalthebelkulisse
53
TR92-1796
DECAL - RECYCLER
54
TR92-1720
Deflektor
55
TR71-1280
PVC-SCHILD
56
TR71-9370
DISCONTINUED
TR121-1380
WHEEL AND TIRE ASM