.it
Carrello
vuoto
Il mio account
Registrati
Log in
Benvenuti
Contatti
Spedizione
L’azienda
Guest book
Condizioni e Privacy
Catalogare
Tagliare, profilare
Componenti per motore
Officine meccaniche
Parti e componentistica per macchine varie
Forestali
Articoli elettrici
Articoli invernali
Cinghie trapezoidali e relative pulegge
Filters
PEZZI DI RICAMBIO
Sprocket Rims
Guide Bars
Chainsaw Chains
Search by Part Number
Diagrammi ed elenchi
Servizio
Determine Chain
Ricerca
DE
EN
FR
ES
IT
Versione mobile
Toro 22040 - Lawnmower, 1995 (5900001-5999999) ENGINE ASSEMBLY Ricambi
Start
Toro Neu
Mowers, Walk-Behind
Seite 2
22040 - Toro Lawnmower, 1995 (5900001-5999999)
ENGINE ASSEMBLY
ENGINE ASSEMBLY 22040 - Toro Lawnmower, 1995 (5900001-5999999)
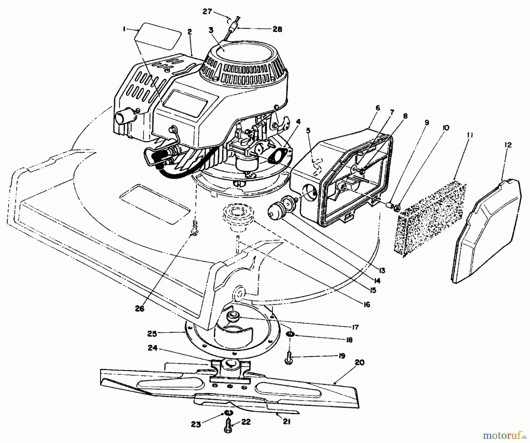
Posizione
Articolo numero
Descrizione
1
TR71-1260
Schild
2
TR12-8099
SHORTBLOCK
3
TR77-0040
Klebeschild
4
TR81-0090
GASKET-AIR CLEANER
5
TR44-3172
HOSE-PRIMER F
6
TR63-9330
Luftfiltergehaeuse
7
TR3256-16
WASHER-FLAT
8
TR51-2690
Schraube
9
TR62-3980
Buechse
10
TR50-7180
Mutter
11
TR63-9380
Filtereinsatz
12
TR63-9340
Luftfilterdeckel
13
TR44-2750
Primer-Koerper
14
TR66-7460
Primerknopf
15
TR46-7910
PULLEY-DRIVER
16
TR27-6300
KEY-SQUARE
17
TR52-2190
Distanzstueck
18
TR3254-6
Federring
19
TR32144-70
Schraube
20
TR91-2256-03
Messer
21
TR92-1599-03
STIFFENER-BLADE
22
TR26-0670
Schraube
23
TR3253-22
Federring
24
TR52-2170-03
Messernabe
25
TR65-5860
PROTECTOR-CRANKSHAFT
26
TR66-9300
Schraube
27
TR
28
TR47-2480
STOP-ROPE
Gestione della qualità
Aiutaci a migliorare il nostro sito. Informaci se trovi un errore.