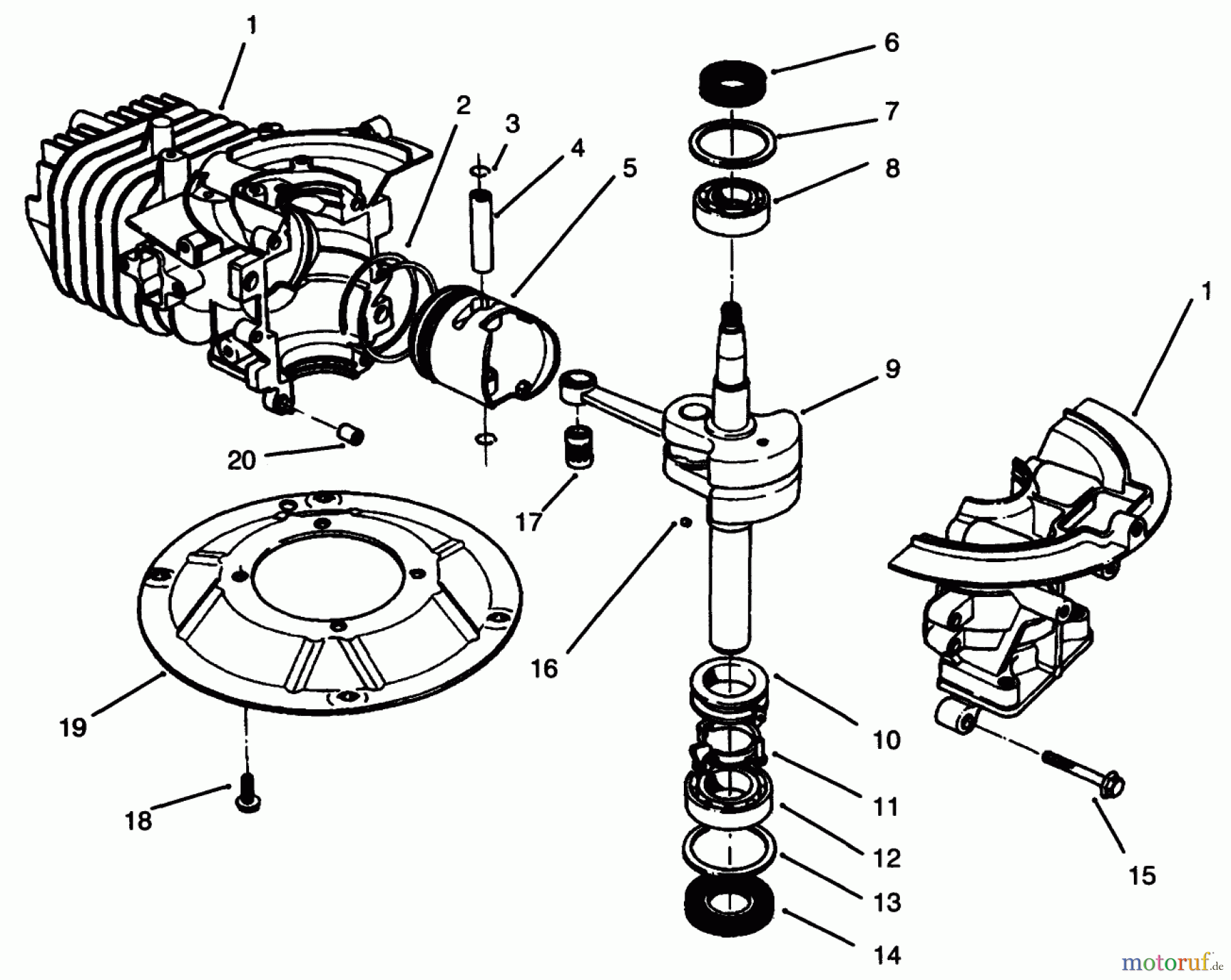
Toro 22037BC - Lawnmower, 1995 (5900001-5999999) CRANKSHAFT ASSEMBLY (MODEL NO. 47PR4-3) Ricambi
CRANKSHAFT ASSEMBLY (MODEL NO. 47PR4-3) 22037BC - Toro Lawnmower, 1995 (5900001-5999999)



Gestione della qualità
Aiutaci a migliorare il nostro sito. Informaci se trovi un errore.

