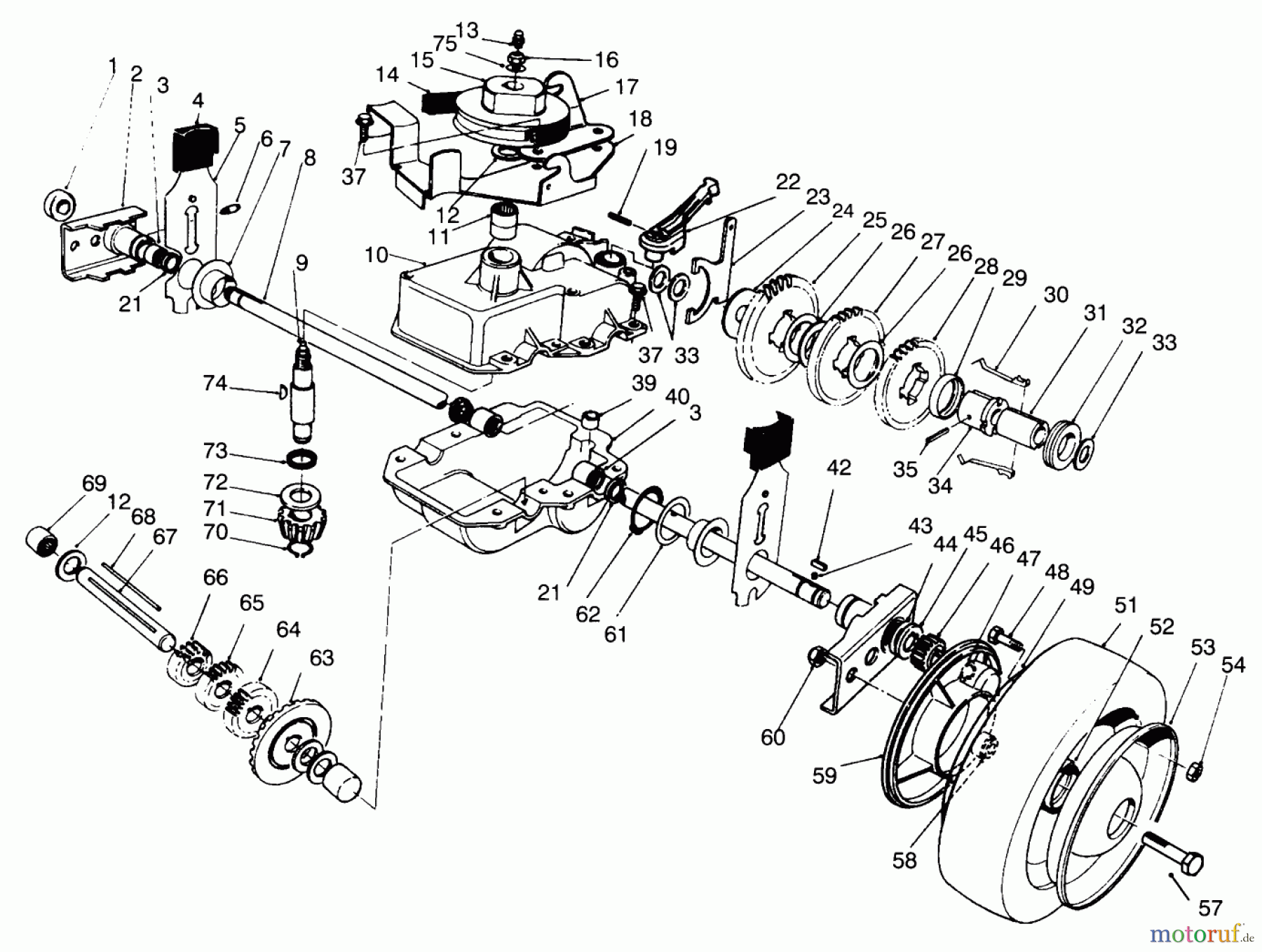
Toro 22037B - Proline 21" Recycler Mower, 1994 (49000001-49999999) GEAR CASE ASSEMBLY Ricambi
GEAR CASE ASSEMBLY 22037B - Toro Proline 21" Recycler Mower, 1994 (49000001-49999999)



Gestione della qualità
Aiutaci a migliorare il nostro sito. Informaci se trovi un errore.





