.it
Carrello
vuoto
Il mio account
Registrati
Log in
Benvenuti
Contatti
Spedizione
L’azienda
Guest book
Condizioni e Privacy
Catalogare
Tagliare, profilare
Componenti per motore
Officine meccaniche
Parti e componentistica per macchine varie
Forestali
Articoli elettrici
Articoli invernali
Cinghie trapezoidali e relative pulegge
Filters
PEZZI DI RICAMBIO
Sprocket Rims
Guide Bars
Chainsaw Chains
Search by Part Number
Diagrammi ed elenchi
Servizio
Determine Chain
Ricerca
DE
EN
FR
ES
IT
Versione mobile
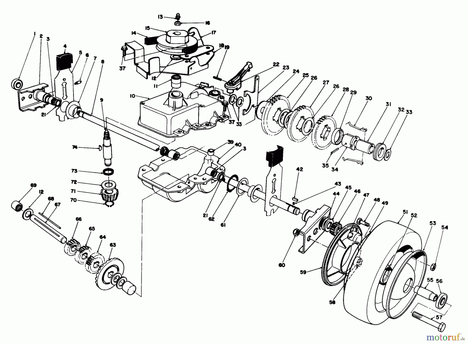
Toro 22036 - Lawnmower, 1991 (1000001-1999999) GEAR CASE ASSEMBLY Ricambi
Start
Toro Neu
Mowers, Walk-Behind
Seite 2
22036 - Toro Lawnmower, 1991 (1000001-1999999)
GEAR CASE ASSEMBLY
GEAR CASE ASSEMBLY 22036 - Toro Lawnmower, 1991 (1000001-1999999)
Posizione
Articolo numero
Descrizione
1
TR52-2450
Radlager
2
TR74-1851
Radaufhaengung
3
TR48-2060
Nadellager
4
TR25-7740
Hebelknopf
5
TR66-7561
Stellhebel
6
TR302-62
Nippel
7
TR48-2170
Abdeckkappe
8
TR74-1890
SHAFT-OUTPUT
9
TR13-5149
Schneckenwelle
10
TR13-9739
Getriebedeckel
11
TR47-7270
Nadellager
12
TR36-4792
WASHER-THRUST
13
TR302-63
Schmiernippel
14
TR36-8070
Keilriemen
15
TR39-6740
Keilriemenscheibe
16
TR3296-5
Stopmutter
17
TR74-1750-03
Getriebeaufhaengung
18
TR49-8461-03
BRACKET-GUIDE, BELT
19
TR32121-99
Spannhuelse
21
TR47-6730
Simmerring
22
TR74-1960
Schalthebel
23
TR60-8870
Schaltklaue
24
TR29-9690
Scheibe
25
TR42-4740
Zahnrad 38 Zaehne
26
TR36-4770
WASHER
27
TR29-9271
Zahnrad
28
TR46-3560
Zahnrad
29
TR55-8020
Keilarretierung
30
TR29-9330
Schiebekeil
31
TR39-6720
SLEEVE
32
TR29-9340
Stellring
33
TR36-4780
Scheibe
34
TR55-8010
Gleitbuchse
35
TR3285-19
Stift
37
TR49-2040
Schraube
39
TR29-9570
Buchse
40
TR119-7863
GEARCASE-LOWER
42
TR39-9680
KEY RECTANGULAR
43
TR39-9650
Feder
44
TR49-7700
Scheibe
45
TR62-3830
Scheibe
46
TR39-9160
Zahnrad
47
TR32151-68
RING-RETAINING
48
TR321-2
Schraube
49
TR121-1378-06
WHEEL HALF AND GEAR ASM
51
TR53-7740
Reifen
52
TR52-2410
Radnabe
53
TR121-1365-06
RIM-HALF, WHEEL
54
TR3296-42
Mutter
55
TR52-2440
Radbuechse
56
TR52-2450
Radlager
57
TR3231-2
Schraube
58
TR74-1650
Buchse
59
TR74-1640
Abdeckung
60
TR32152-2
NUT-LOCK, CONE
61
TR74-1810
WASHER
62
TR32151-36
Sicherungsring
63
TR74-1760
Tellerrad
64
TR46-3540
Zahnrad
65
TR46-3550
Zahnrad
66
TR39-6650
Zahnrad
67
TR53-7950
Welle
68
TR39-7842
KEY
69
TR252-103
Nadellager
70
TR32151-57
Sicherungsring
71
TR39-6660
PINION-BEVEL
72
TR47-2910
Scheibe
73
TR47-7260
Simmerring
74
TR3257-1
Keil
TR74-1860
TR121-1379
WHEEL AND TIRE ASM
Gestione della qualità
Aiutaci a migliorare il nostro sito. Informaci se trovi un errore.