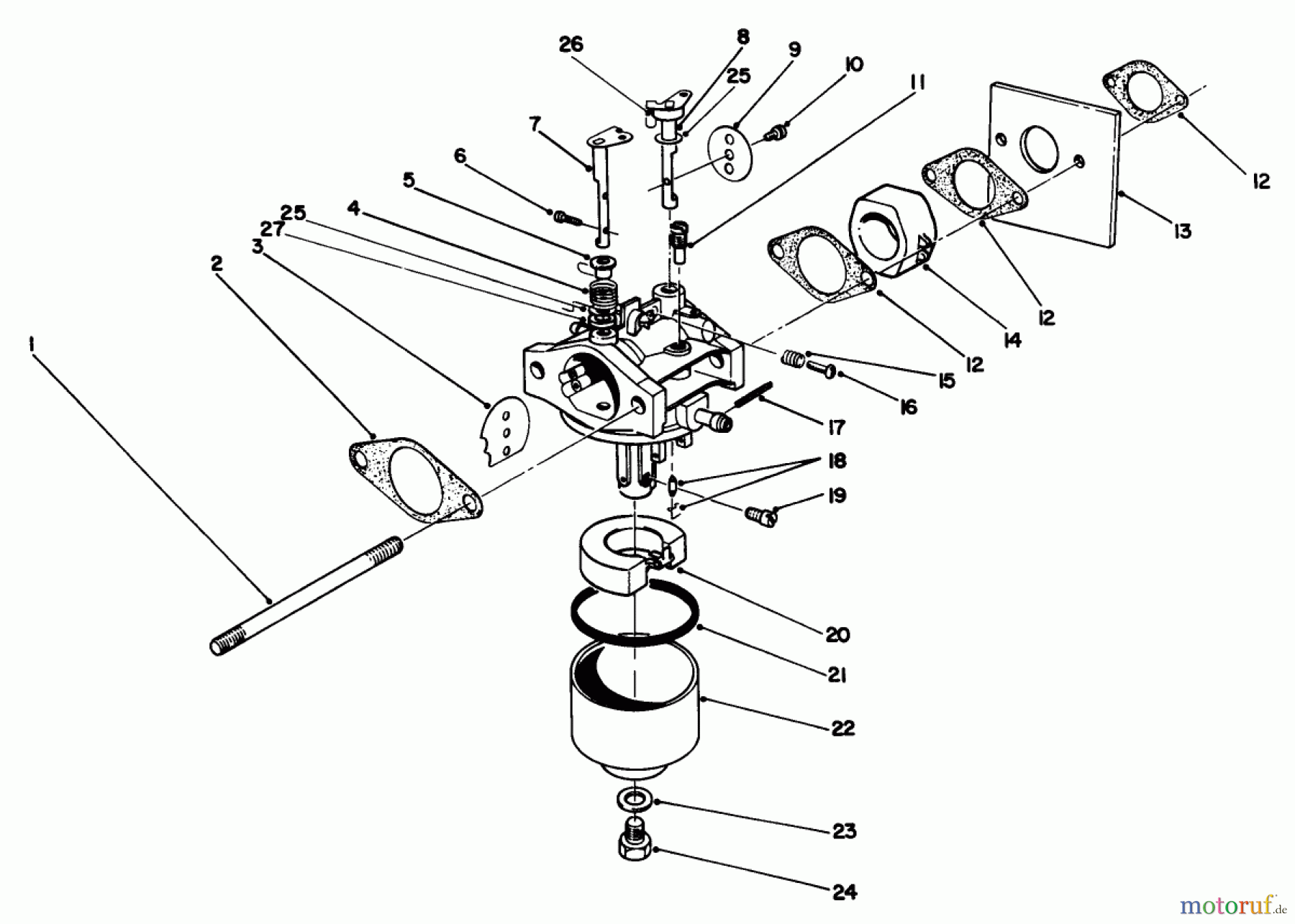
Toro 22036 - Lawnmower, 1991 (1000001-1999999) CARBURETOR ASSEMBLY (MODEL NO. 47PL0-3) Ricambi
CARBURETOR ASSEMBLY (MODEL NO. 47PL0-3) 22036 - Toro Lawnmower, 1991 (1000001-1999999)



Gestione della qualità
Aiutaci a migliorare il nostro sito. Informaci se trovi un errore.



