.it
Carrello
vuoto
Il mio account
Registrati
Log in
Benvenuti
Contatti
Spedizione
L’azienda
Guest book
Condizioni e Privacy
Catalogare
Tagliare, profilare
Componenti per motore
Officine meccaniche
Parti e componentistica per macchine varie
Forestali
Articoli elettrici
Articoli invernali
Cinghie trapezoidali e relative pulegge
Filters
PEZZI DI RICAMBIO
Sprocket Rims
Guide Bars
Chainsaw Chains
Search by Part Number
Diagrammi ed elenchi
Servizio
Determine Chain
Ricerca
DE
EN
FR
ES
IT
Versione mobile
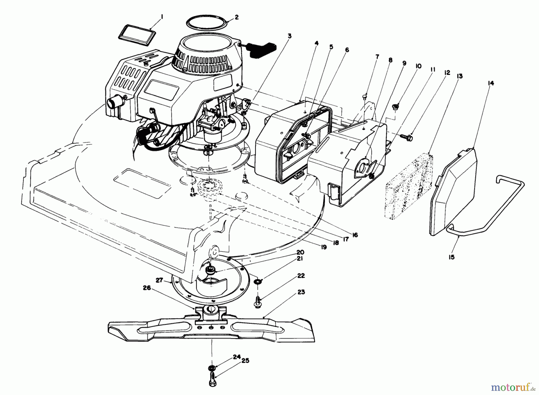
Toro 22035C - Lawnmower, 1988 (8000001-8999999) ENGINE ASSEMBLY Ricambi
Start
Toro Neu
Mowers, Walk-Behind
Seite 2
22035C - Toro Lawnmower, 1988 (8000001-8999999)
ENGINE ASSEMBLY
ENGINE ASSEMBLY 22035C - Toro Lawnmower, 1988 (8000001-8999999)
Posizione
Articolo numero
Descrizione
1
TR71-1260
Schild
2
TR77-0040
Klebeschild
3
TR3218-3
Mutter
4
TR52-2200
Luftfilter Kpl.
5
TR3269-6
WASHER-FLAT
6
TR51-3220
Schraube
7
TR3269-5
Niete
8
TR52-2250
DISCONTINUED
9
TR81-0140
Leitblech
10
TR237-127
Buechse
11
TR33023-00
Stoppmutter
12
TR81-1280
Schraube
13
TR81-0100
Filtereinsatz
14
TR81-0120
Luftfilterdeckel
15
TR52-2240
Schutzbuegel
16
TR323-7
Schraube
17
TR46-7910
PULLEY-DRIVER
18
TR323-6
Schraube
19
TR27-6300
KEY-SQUARE
20
TR52-2190
Distanzstueck
21
TR3254-6
Federring
22
TR32144-70
Schraube
23
TR107-4276-03
BLADE-BAGGING, 21 INCH
24
TR3253-22
Federring
25
TR26-0670
Schraube
26
TR52-2170-03
Messernabe
27
TR65-5860
PROTECTOR-CRANKSHAFT
TR12-8099
SHORTBLOCK
Gestione della qualità
Aiutaci a migliorare il nostro sito. Informaci se trovi un errore.