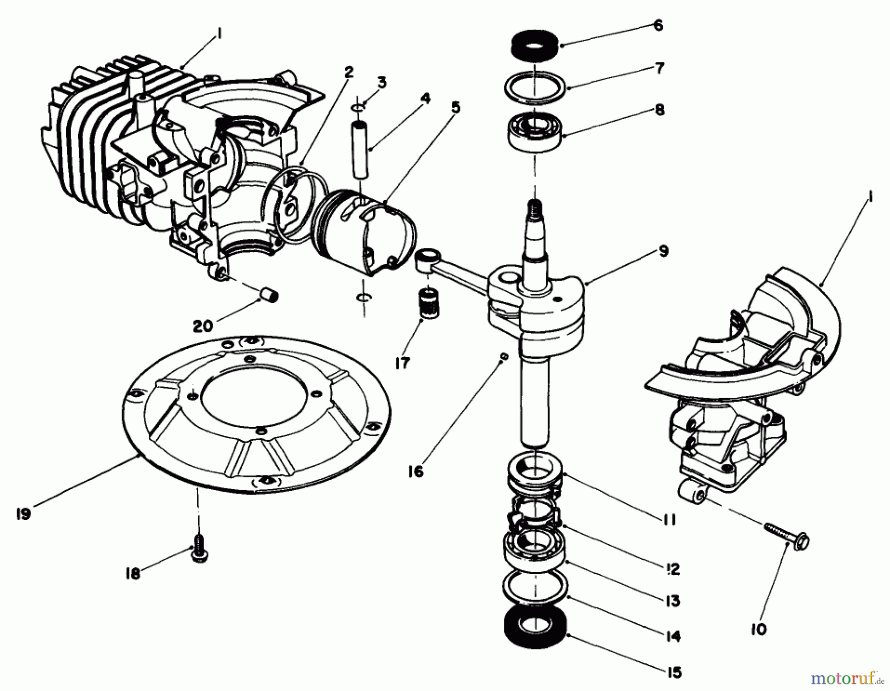
Toro 22035C - Lawnmower, 1988 (8000001-8999999) CRANKSHAFT ASSEMBLY (MODEL NO. 47PH7) Ricambi
CRANKSHAFT ASSEMBLY (MODEL NO. 47PH7) 22035C - Toro Lawnmower, 1988 (8000001-8999999)



Gestione della qualità
Aiutaci a migliorare il nostro sito. Informaci se trovi un errore.

