.it
Benvenuti
Contatti
Spedizione
L’azienda
Guest book
Condizioni e Privacy
Catalogare
Tagliare, profilare
Componenti per motore
Officine meccaniche
Parti e componentistica per macchine varie
Forestali
Articoli elettrici
Articoli invernali
Cinghie trapezoidali e relative pulegge
Filters
PEZZI DI RICAMBIO
Sprocket Rims
Guide Bars
Chainsaw Chains
Search by Part Number
Diagrammi ed elenchi
Servizio
Determine Chain
Ricerca
Il mio account
Registrati
Log in
Settings
DE
EN
FR
ES
IT
Desktop
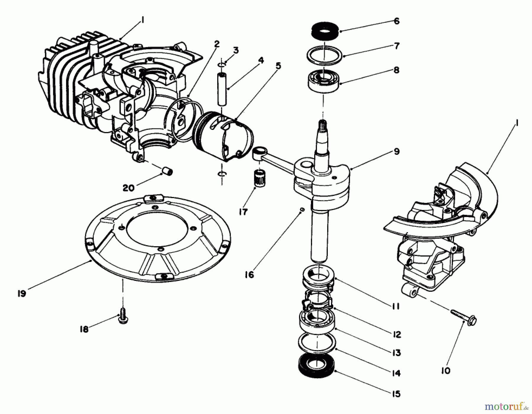
Toro 22035 - Lawnmower, 1985 (5000001-5999999) SHORT BLOCK ASSEMBLY Ricambi
Start
Toro Neu
Mowers, Walk-Behind
Seite 2
22035 - Toro Lawnmower, 1985 (5000001-5999999)
SHORT BLOCK ASSEMBLY
SHORT BLOCK ASSEMBLY 22035 - Toro Lawnmower, 1985 (5000001-5999999)
Posizione
Articolo numero
Descrizione
1
TR81-2060
DISCONTINUED
2
TR81-0590
RING SET
3
TR81-0620
Sicherung
4
TR81-0600
Kolbenbolzen
5
TR81-2140
Kolben
6
TR81-0720
Simmerring
7
TR81-0710
Scheibe
8
TR81-0690
Lager
9
TR81-4680
CRANKSHAFT
10
TR81-0540
Schraube
11
TR81-0770
Reglerring
12
TR81-0750
Reglerhalter
13
TR81-0700
Lager
14
TR81-0730
Scheibe
15
TR81-0740
Simmerring
16
TR81-0760
Stift
17
TR81-0610
BEARING
18
TR81-0570
Schraube
19
TR81-0560
Motorplatte
20
TR81-0520
Stift
TR11-6309
12-8099
Gestione della qualità
Aiutaci a migliorare il nostro sito. Informaci se trovi un errore.