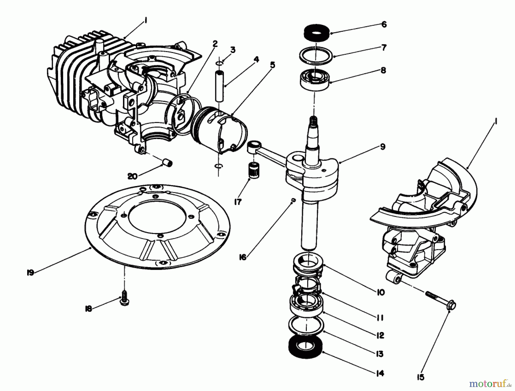
Toro 22031 - ProLine 21" Recycler Lawnmower, 1993 (3900001-3999999) CRANKSHAFT ASSEMBLY (MODEL NO. 47PN2-3) Ricambi
CRANKSHAFT ASSEMBLY (MODEL NO. 47PN2-3) 22031 - Toro ProLine 21" Recycler Lawnmower, 1993 (3900001-3999999)



Gestione della qualità
Aiutaci a migliorare il nostro sito. Informaci se trovi un errore.

