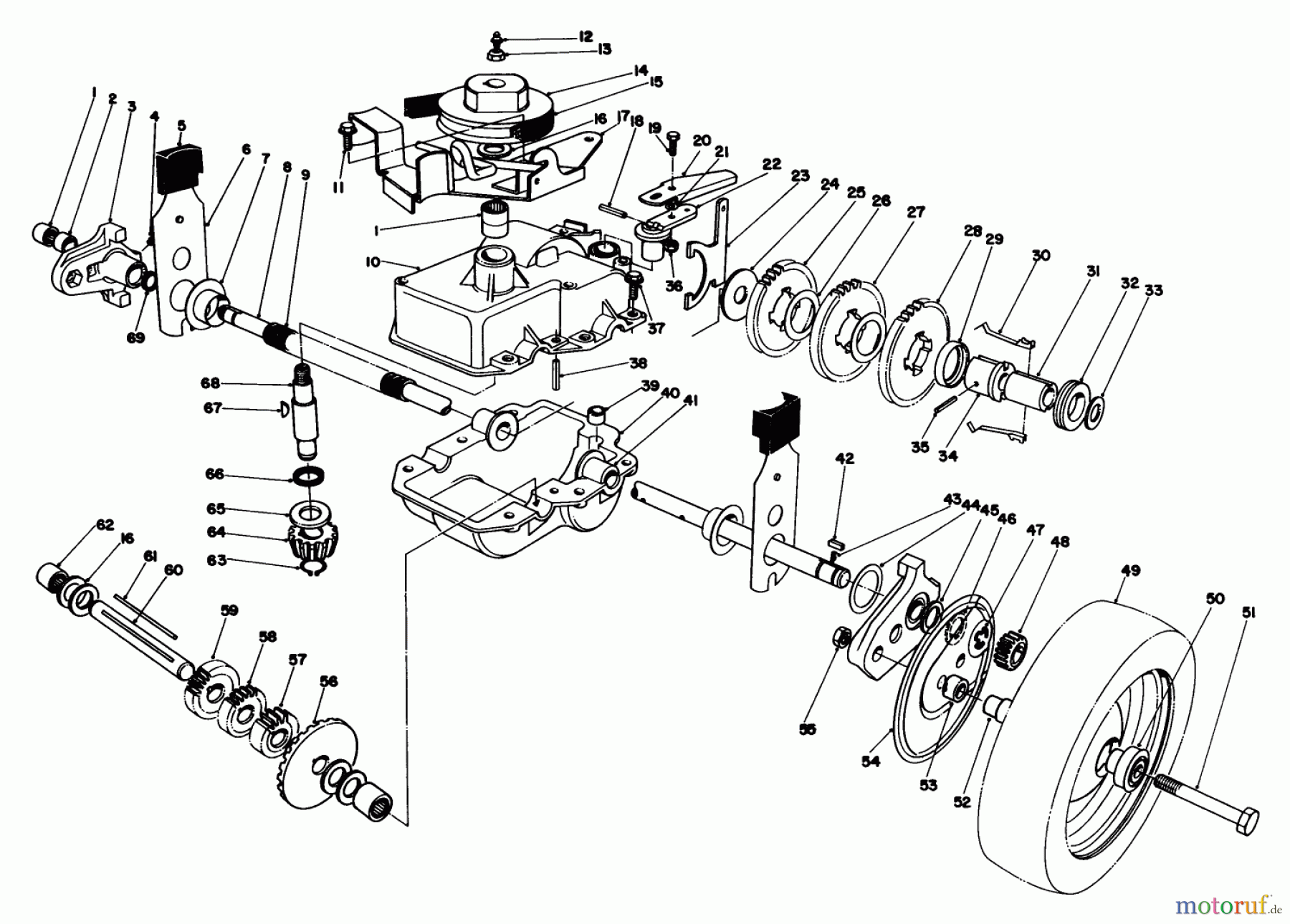
Toro 22030 - Lawnmower, 1984 (4000001-4999999) GEAR CASE ASSEMBLY (MODEL 22035) Ricambi
GEAR CASE ASSEMBLY (MODEL 22035) 22030 - Toro Lawnmower, 1984 (4000001-4999999)



Gestione della qualità
Aiutaci a migliorare il nostro sito. Informaci se trovi un errore.






