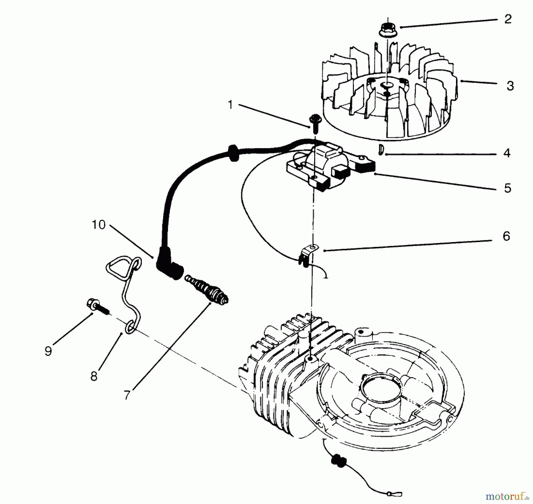
Toro 22026 - Side Discharge Mower, 1996 (6900001-6999999) IGNITION ASSEMBLY (MODEL NO. 47PS5-3) Ricambi
IGNITION ASSEMBLY (MODEL NO. 47PS5-3) 22026 - Toro Side Discharge Mower, 1996 (6900001-6999999)

| Posizione | Articolo numero | Descrizione | |
| 1 | TR81-5680 | SCREW | |
| 2 | TR81-1330 | Mutter | |
| 3 | TR81-2810 | Schwungscheibe | |
| 4 | TR81-2370 | Keil | |
| 5 | TR81-2820 | COIL-MAGNETO | |
| 6 | TR81-1480 | Klemme | |
| 7 | TR50-1170 | Zuendkerze | |
| 8 | TR106-0832 | Kerzenschutz | |
| 9 | TR81-2350 | Schraube | |
| 10 | TR81-1500 | Zuendkerzenstecker | |
| TR41-7650 | Schwungradabzieher Toro | ||



