.it
Carrello
vuoto
Il mio account
Registrati
Log in
Benvenuti
Contatti
Spedizione
L’azienda
Guest book
Condizioni e Privacy
Catalogare
Tagliare, profilare
Componenti per motore
Officine meccaniche
Parti e componentistica per macchine varie
Forestali
Articoli elettrici
Articoli invernali
Cinghie trapezoidali e relative pulegge
Filters
PEZZI DI RICAMBIO
Sprocket Rims
Guide Bars
Chainsaw Chains
Search by Part Number
Diagrammi ed elenchi
Servizio
Determine Chain
Ricerca
DE
EN
FR
ES
IT
Versione mobile
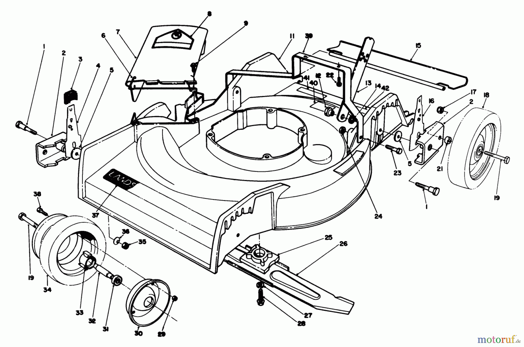
Toro 22025 - Lawnmower, 1988 (8000001-8999999) HOUSING ASSEMBLY Ricambi
Start
Toro Neu
Mowers, Walk-Behind
Seite 2
22025 - Toro Lawnmower, 1988 (8000001-8999999)
HOUSING ASSEMBLY
HOUSING ASSEMBLY 22025 - Toro Lawnmower, 1988 (8000001-8999999)
Posizione
Articolo numero
Descrizione
1
TR49-9180
Schraube
2
TR52-2480
Buechse
3
TR49-9160
Radschenkel
4
TR49-8800
Stellhebel
5
TR25-7740
Hebelknopf
6
TR53-7930
SPACER-PIVOT
7
TR52-2510
FRT RIGHT QUAD
8
TR49-2040
Schraube
9
TR28-3260
BAG CHUTE PIN
10
TR28-3250
BAG CHUTE CLIP PIN
11
TR52-2570
DEFLECTOR HINGE PIN
12
TR12-4739
DEFLECTOR
13
TR28-1430
Gummischelle
14
TR39-5770
Schild
15
TR46-6811
Schraube
16
TR52-2560
DEFLECTOR SPRING
17
TR28-3270
DISCONTINUED
18
TR52-2530
REAR RIGHT QUAD
19
TR29-4720
DISCONTINUED
20
TR32-9639
21
TR27-6510
Zwischenscheibe
22
TR100-3296-03
DISCONTINUED
23
TR52-2540
REAR LEFT QUAD
24
TR117-5298
SHIELD-TRAILING
25
TR3231-2
Schraube
26
TR52-2260
REAR PIVOT SCREW
27
TR33-3201
SHIELD ROD
28
TR3290-340
WASHER-BELLEVILLE
29
TR52-2360
HANDLE LATCH SPACER
30
TR46-7370
Schild
31
TR3231-1
Schraube
32
TR52-2520
FRT LEFT QUAD
33
TR52-2500
CRNKSHFT PROTECT ASM
34
TR3254-6
Federring
35
TR32144-70
Schraube
36
TR52-2170-03
Messernabe
37
TR8-5230-03
Messer
38
TR26-0671
SCHRAUBE
39
TR3253-22
Federring
40
TR27-8590
Keil
41
TR3230-16
Schraube
42
TR52-2650-01
SAFETY BAR
43
TR3296-29
Mutter
44
TR3290-455
WASHER-BELLEVILLE
45
TR3296-56
Stopmutter
46
TR121-1365-06
RIM-HALF, WHEEL
47
TR12-4729
21 COMM SD HSG/DECAL
48
TR52-2450
Radlager
49
TR52-2440
Radbuechse
50
TR52-2410
Radnabe
51
TR53-7740
Reifen
52
TR3234-26
Schraube
TR121-1380
WHEEL AND TIRE ASM
Gestione della qualità
Aiutaci a migliorare il nostro sito. Informaci se trovi un errore.