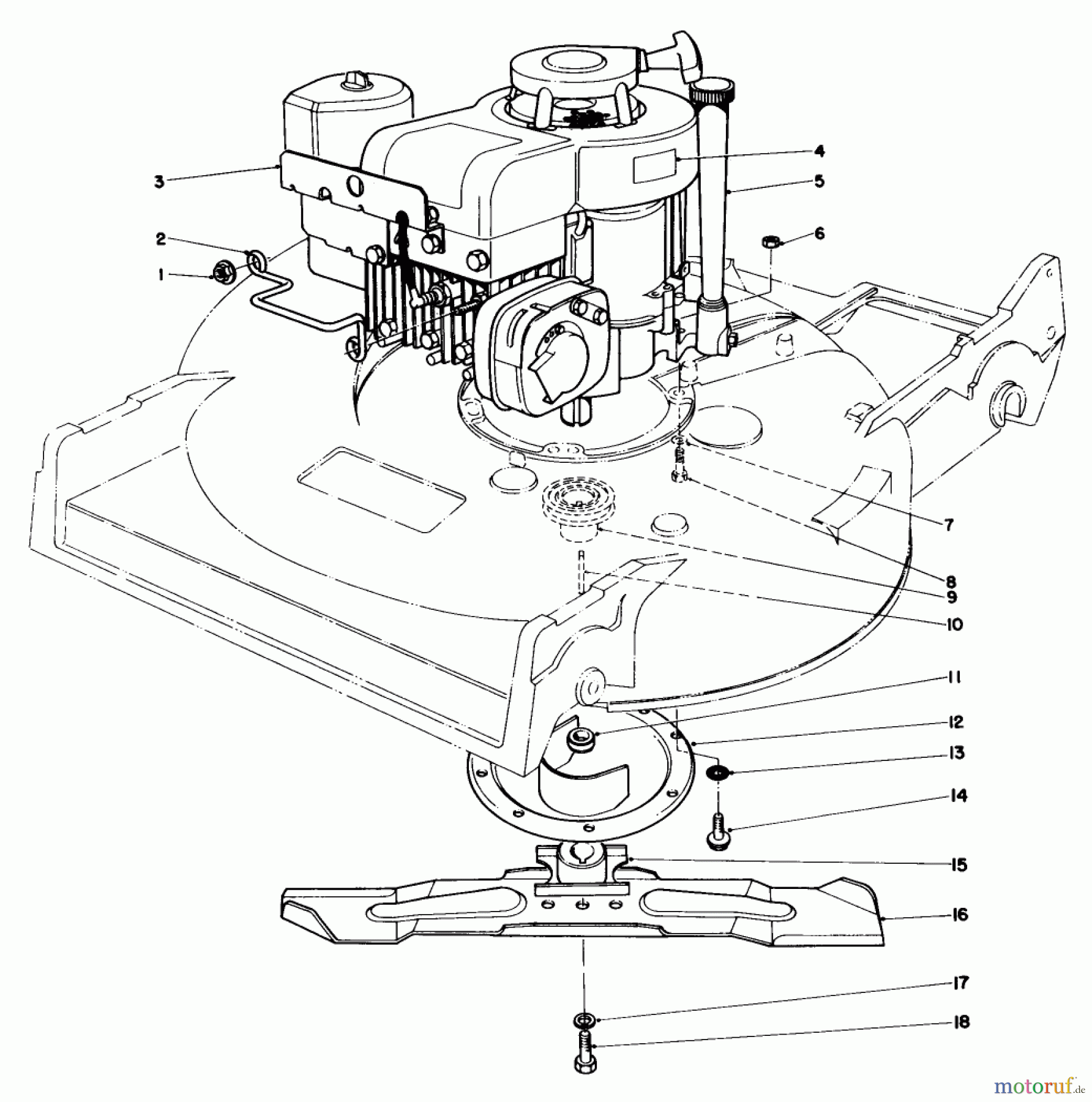
Toro 22020 - Lawnmower, 1984 (4000001-4999999) ENGINE ASSEMBLY (MODEL 22020) Ricambi
ENGINE ASSEMBLY (MODEL 22020) 22020 - Toro Lawnmower, 1984 (4000001-4999999)



Gestione della qualità
Aiutaci a migliorare il nostro sito. Informaci se trovi un errore.

