.it
Benvenuti
Contatti
Spedizione
L’azienda
Guest book
Condizioni e Privacy
Catalogare
Tagliare, profilare
Componenti per motore
Officine meccaniche
Parti e componentistica per macchine varie
Forestali
Articoli elettrici
Articoli invernali
Cinghie trapezoidali e relative pulegge
Filters
PEZZI DI RICAMBIO
Sprocket Rims
Guide Bars
Chainsaw Chains
Search by Part Number
Diagrammi ed elenchi
Servizio
Determine Chain
Ricerca
Il mio account
Registrati
Log in
Settings
DE
EN
FR
ES
IT
Desktop
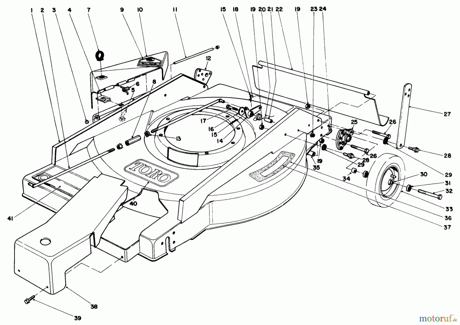
Toro 22010 - Lawnmower, 1984 (4000001-4999999) MOWER HOUSING ASSEMBLY Ricambi
Start
Toro Neu
Mowers, Walk-Behind
Seite 2
22010 - Toro Lawnmower, 1984 (4000001-4999999)
MOWER HOUSING ASSEMBLY
MOWER HOUSING ASSEMBLY 22010 - Toro Lawnmower, 1984 (4000001-4999999)
Posizione
Articolo numero
Descrizione
1
TR11-7069
DISCONTINUED
2
TR36-9150
DISCONTINUED
3
TR32112-1
Sicherungskappe
4
TR28-3250
BAG CHUTE CLIP PIN
5
TR28-3260
BAG CHUTE PIN
6
TR28-1560
DISCONTINUED
7
TR28-1430
Gummischelle
8
TR3-6481
Mutter
9
TR39-5770
Schild
10
TR11-8579
Grasleitblech
11
TR36-6350
DISCONTINUED
12
TR49-8900
DISCONTINUED
13
TR32149-1
Mutter
14
TR36-9180
DISCONTINUED
15
TR3272-5
Splint
16
TR3256-55
Scheibe
17
TR321-8
Schraube
18
TR29-4720
DISCONTINUED
19
TR3296-29
Mutter
20
TR38-7750
DISCONTINUED
21
TR49-9060
DISCONTINUED
22
TR40-6690
REAR SAFETY SHIELD
23
TR32128-10
Hutmutter
24
TR33-3204
DISCONTINUED
25
TR49-8910
WHL QUADRANT B-MACH.
26
TR322-5
Schraube
27
TR39-5960
DISCONTINUED
28
TR5-2490
Schraube
29
TR27-6510
Zwischenscheibe
30
TR52-2440
Radbuechse
31
TR52-2450
Radlager
32
TR3231-2
Schraube
33
TR121-1380
WHEEL AND TIRE ASM
34
TR52-2480
Buechse
35
TR40-6710
DISCONTINUED
36
TR37-0030
DISCONTINUED
37
TR36-2820
DISCONTINUED
38
TR49-9110
DISCONTINUED
39
TR12-5450
Schraube
40
TR70-2200
DECAL
41
TR49-9090
DISCONTINUED
Gestione della qualità
Aiutaci a migliorare il nostro sito. Informaci se trovi un errore.