.it
Benvenuti
Contatti
Spedizione
L’azienda
Guest book
Condizioni e Privacy
Catalogare
Tagliare, profilare
Componenti per motore
Officine meccaniche
Parti e componentistica per macchine varie
Forestali
Articoli elettrici
Articoli invernali
Cinghie trapezoidali e relative pulegge
Filters
PEZZI DI RICAMBIO
Sprocket Rims
Guide Bars
Chainsaw Chains
Search by Part Number
Diagrammi ed elenchi
Servizio
Determine Chain
Ricerca
Il mio account
Registrati
Log in
Settings
DE
EN
FR
ES
IT
Desktop
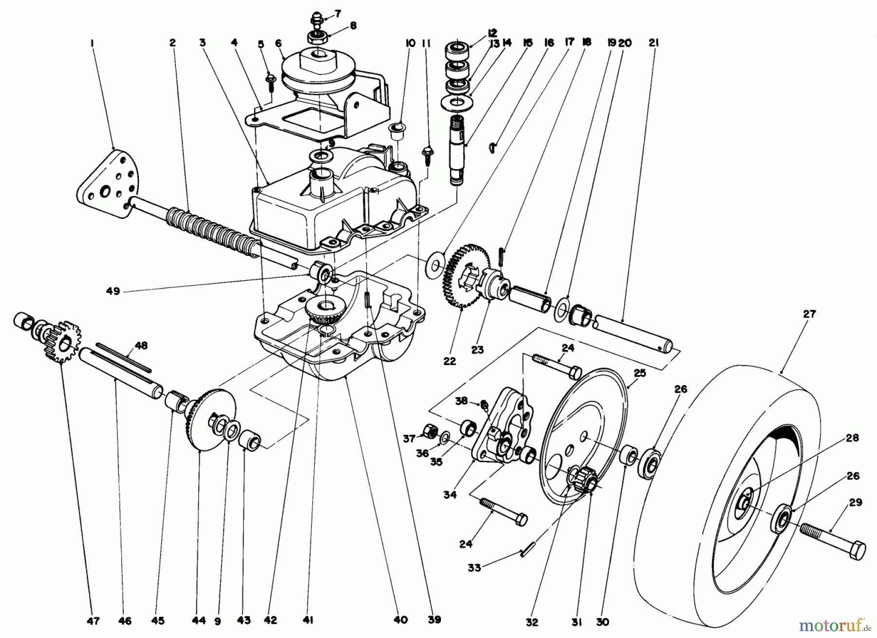
Toro 22010 - Lawnmower, 1984 (4000001-4999999) GEAR CASE ASSEMBLY Ricambi
Start
Toro Neu
Mowers, Walk-Behind
Seite 2
22010 - Toro Lawnmower, 1984 (4000001-4999999)
GEAR CASE ASSEMBLY
GEAR CASE ASSEMBLY 22010 - Toro Lawnmower, 1984 (4000001-4999999)
Posizione
Articolo numero
Descrizione
1
TR49-8950
DISCONTINUED
2
TR37-9280
DISCONTINUED
3
TR
4
TR49-9050
DISCONTINUED
5
TR12-3270
Schraube
6
TR39-6740
Keilriemenscheibe
7
TR302-5
Schmiernippel
8
TR3296-5
Stopmutter
9
TR36-4790
WASHER-THRUST
10
TR12-0510
DISCONTINUED
11
TR49-2040
Schraube
12
TR47-7270
Nadellager
13
TR47-7260
Simmerring
14
TR47-2910
Scheibe
15
TR13-5149
Schneckenwelle
16
TR3257-1
Keil
17
TR29-9690
Scheibe
18
TR32121-108
Stift
19
TR36-9120
DISCONTINUED
20
TR36-4780
Scheibe
21
TR49-8990
DISCONTINUED
22
TR14-2009
ZAHNRAD 40 ZAEHNE
23
TR36-6280
DISCONTINUED
24
TR322-5
Schraube
25
TR44-0600
Radabdeckung
26
TR121-1380
WHEEL AND TIRE ASM
27
TR121-1379
WHEEL AND TIRE ASM
28
TR52-2440
Radbuechse
29
TR3231-2
Schraube
30
TR52-2480
Buechse
31
TR49-8960
PINION GEAR 15T
32
TR48-2890
THRUST WASHER
33
TR3283-6
34
TR49-8940
DISCONTINUED
35
TR252104
DISCONTINUED
36
TR3256-45
Scheibe
37
TR3296-29
Mutter
38
TR302-56
Schmiernippel
39
TR32121-100
Spannhuelse
40
TR
41
TR32151-57
Sicherungsring
42
TR39-6660
PINION-BEVEL
43
TR252-103
Nadellager
44
TR39-6670
Kegelrad
45
TR36-9130
DISCONTINUED
46
TR53-7950
Welle
47
TR39-6640
DISCONTINUED
48
TR39-7843
Keil
49
TR48-2450
Buechse
TR48-2400
DISCONTINUED
Gestione della qualità
Aiutaci a migliorare il nostro sito. Informaci se trovi un errore.