Toro 21273 - Guardian Lawnmower, 1973 (3000001-3999999) ENGINE ASSEMBLY MODEL NO. 21173 Ricambi
ENGINE ASSEMBLY MODEL NO. 21173 21273 - Toro Guardian Lawnmower, 1973 (3000001-3999999)

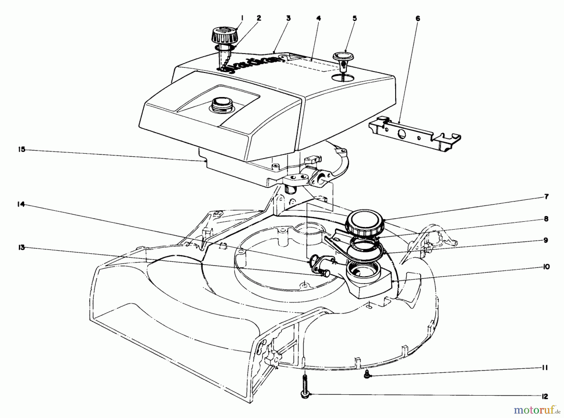
| Posizione | Articolo numero | Descrizione | |
| 1 | TR42-0682 | Tankdeckel | |
| 2 | TR5-2044 | ||
| 3 | TR6-3439 | DISCONTINUED | |
| 4 | TR8-5620 | ||
| 5 | TR12-2210 | DISCONTINUED | |
| 6 | TR11-9690 | ||
| 7 | TR8-5170 | Deckel | |
| 8 | TR8-5150 | Dichtung | |
| 9 | TR8-5590 | DISCONTINUED | |
| 10 | TR8-5630 | ||
| 11 | TR32104-101 | Schraube | |
| 12 | TR11-0580 | Schraube | |
| 13 | TR321-2 | Schraube | |
| 14 | TR237-77 | Ring | |
| 15 | TR221-441 | ||
| TR17-4040 | REPARATURSATZ | ||


Gestione della qualità
Aiutaci a migliorare il nostro sito. Informaci se trovi un errore.

