.it
Carrello
vuoto
Il mio account
Registrati
Log in
Benvenuti
Contatti
Spedizione
L’azienda
Guest book
Condizioni e Privacy
Catalogare
Tagliare, profilare
Componenti per motore
Officine meccaniche
Parti e componentistica per macchine varie
Forestali
Articoli elettrici
Articoli invernali
Cinghie trapezoidali e relative pulegge
Filters
PEZZI DI RICAMBIO
Sprocket Rims
Guide Bars
Chainsaw Chains
Search by Part Number
Diagrammi ed elenchi
Servizio
Determine Chain
Ricerca
DE
EN
FR
ES
IT
Versione mobile
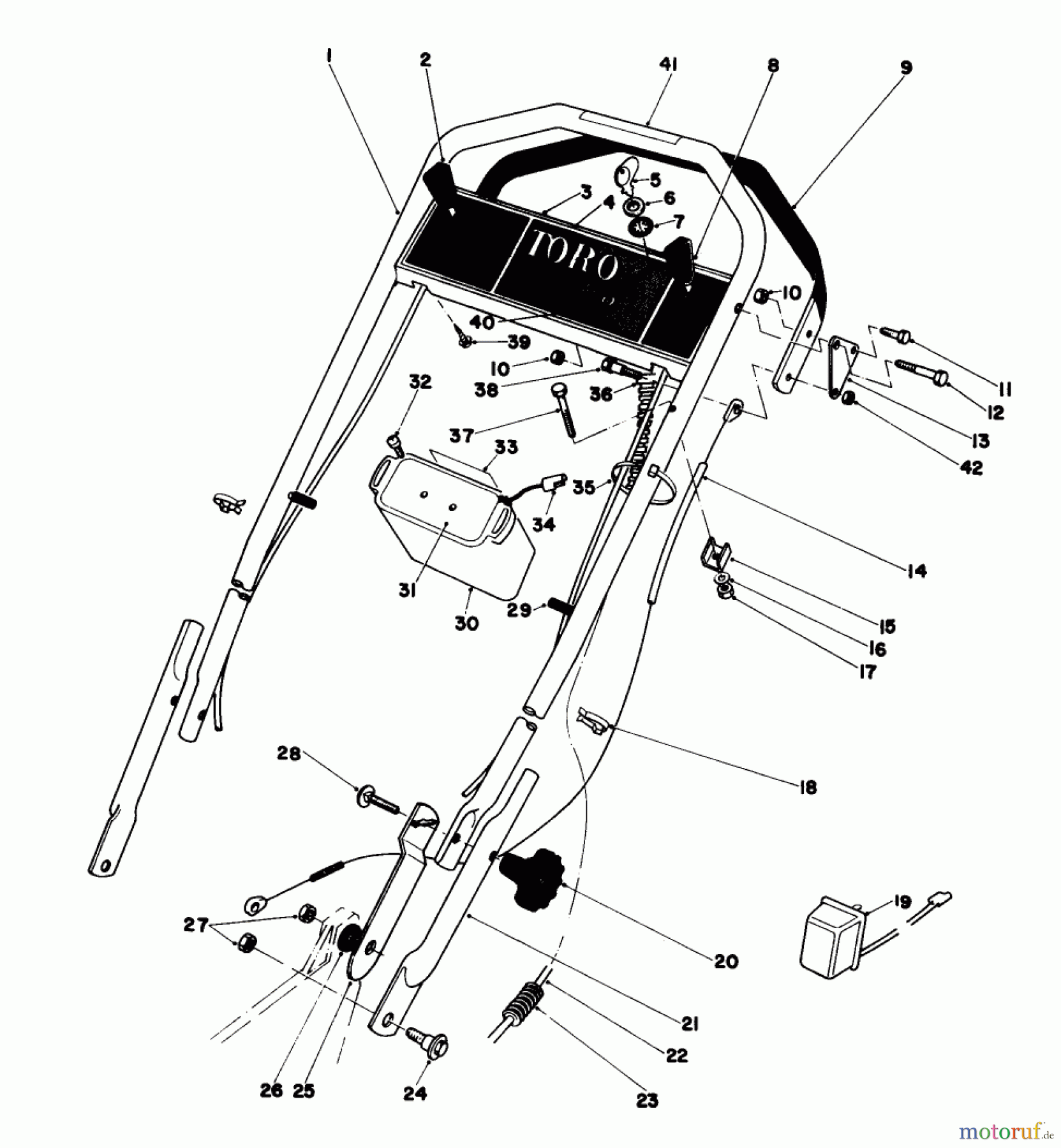
Toro 20790 - Lawnmower, 1981 (1000001-1999999) HANDLE ASSEMBLY Ricambi
Start
Toro Neu
Mowers, Walk-Behind
Seite 1
20790 - Toro Lawnmower, 1981 (1000001-1999999)
HANDLE ASSEMBLY
HANDLE ASSEMBLY 20790 - Toro Lawnmower, 1981 (1000001-1999999)
Posizione
Articolo numero
Descrizione
1
TR40-4860
DISCONTINUED
2
TR42-3922
Gangwaehlhebel
3
TR11-2309
ARMATURENBRETT
4
TR42-3680
DISCONTINUED
5
TR62-7770
ZUENDSCHLUESSEL
6
TR218-461
NUT-HH
7
TR3254-5
FEDERRING
8
TR42-3911
BOWDENZUG 46-6020
9
TR40-4840
DISCONTINUED
10
TR32152-4
Mutter
11
TR321-3
SCREW-HH
12
TR36-2250
Schraube
13
TR40-4850
DISCONTINUED
14
TR29-9502
Bowdenzug
15
TR29-9550
Klammer
16
TR3256-1
SCHEIBE F. KLEMME
17
TR3296-42
Mutter
18
TR218-465
BOWDEN CLIP
19
TR104-4216
CHARGER-12 VOLT
20
TR19-4050
DREHKNOPF
21
TR29-9160
GRIFFBUEGEL U.T
22
TR38-4680
Kabel
23
TR38-6630
DISCONTINUED
24
TR27-7211
Schraube
25
TR44-0590
Einstellplatte
TR36-8090
LASCHE RECHTS
26
TR3-3287
Buechse
27
TR32153-3
Mutter
28
TR3230-5
Schraube
29
TR42452
Kappe
30
TR39-0640
DISCONTINUED
31
TR390630
32
TR32104-129
DISCONTINUED
33
TR36-5380
KLEBESCHILD
34
TR49-8141
Kabel
35
TR3290-381
Halteband
36
TR2412-48
Schelle
37
TR321-9
SCREW-HH
38
TR43-7260
Schraube
39
TR32104-76
Schraube
40
TR21-5190
STARTER SWITCH
41
TR41-8060
DISCONTINUED
42
TR32153-4
Mutter
TR99-5262
BATTERY ASSEMBLY
TR11-0019
Gestione della qualità
Aiutaci a migliorare il nostro sito. Informaci se trovi un errore.