.it
Carrello
vuoto
Il mio account
Registrati
Log in
Benvenuti
Contatti
Spedizione
L’azienda
Guest book
Condizioni e Privacy
Catalogare
Tagliare, profilare
Componenti per motore
Officine meccaniche
Parti e componentistica per macchine varie
Forestali
Articoli elettrici
Articoli invernali
Cinghie trapezoidali e relative pulegge
Filters
PEZZI DI RICAMBIO
Sprocket Rims
Guide Bars
Chainsaw Chains
Search by Part Number
Diagrammi ed elenchi
Servizio
Determine Chain
Ricerca
DE
EN
FR
ES
IT
Versione mobile
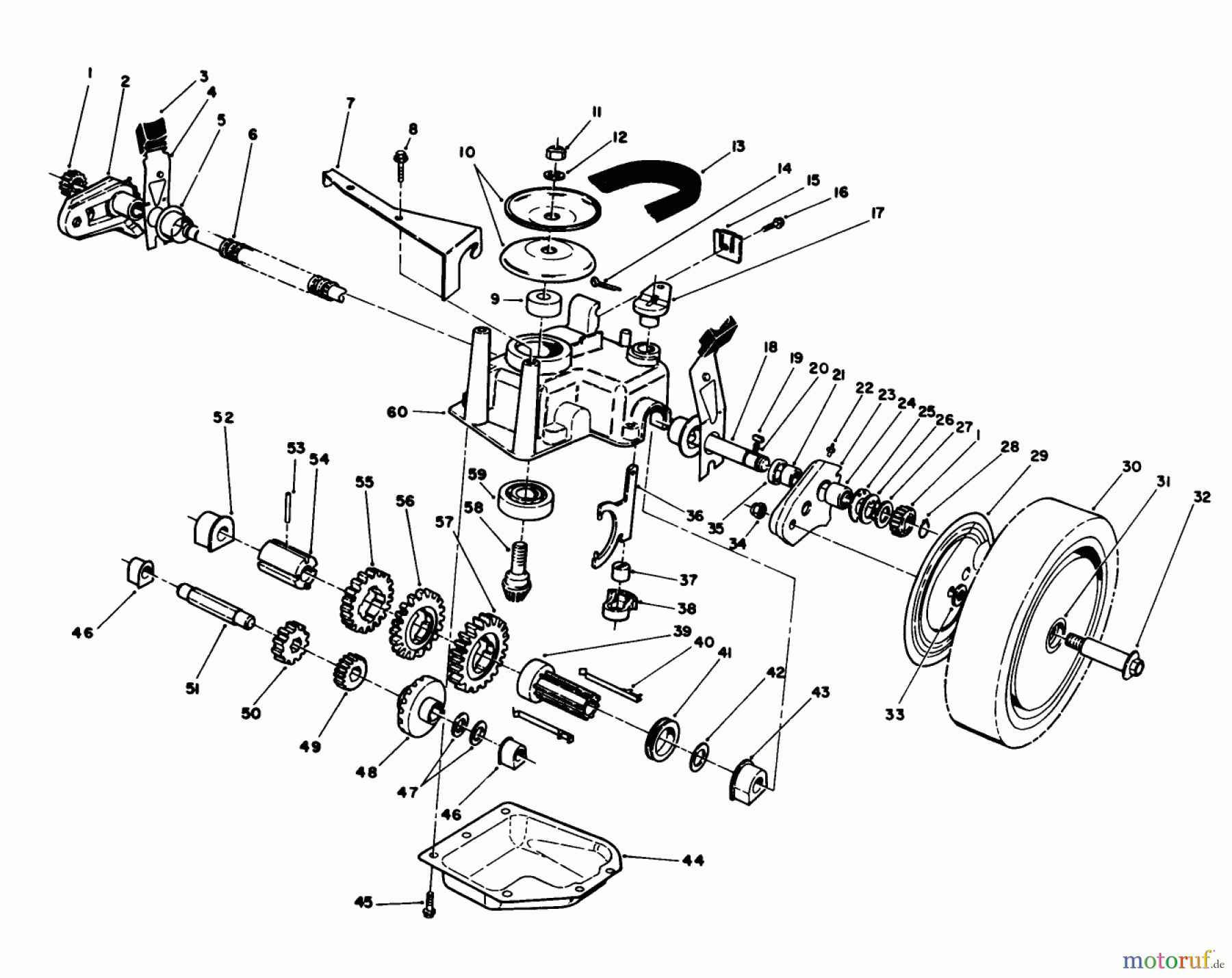
Toro 20747C - Lawnmower, 1988 (8000001-8999999) GEAR CASE ASSEMBLY Ricambi
Start
Toro Neu
Mowers, Walk-Behind
Seite 1
20747C - Toro Lawnmower, 1988 (8000001-8999999)
GEAR CASE ASSEMBLY
GEAR CASE ASSEMBLY 20747C - Toro Lawnmower, 1988 (8000001-8999999)
Posizione
Articolo numero
Descrizione
1
TR39-9160
Zahnrad
2
TR49-7720
PIVOT ARM ASM RH
3
TR25-7740
Hebelknopf
4
TR44-1010
Einstellhebel
5
TR42-3520
CAP-END
6
TR24-7922
Verkleidung
7
TR62-4320-03
BRACKET-GUIDE, BELT
8
TR49-2040
Schraube
9
TR60-6660
NUT
10
TR100-1176
Riemenscheibenhaelfte
11
TR3296-5
Stopmutter
12
TR3256-24
WASHER-FLAT
13
TR62-3900
Riemen
14
TR3272-31
Bolzen
15
TR62-3720
CLAMP-CABLE
16
TR32144-11
Schraube
17
TR60-8820
Schalthebel
18
TR12-6659
Antriebswelle
19
TR39-9680
KEY RECTANGULAR
20
TR39-9650
Feder
21
TR47-2890
Buechse
22
TR302-56
Schmiernippel
23
TR49-7710
Radaufhaengung
24
TR48-2060
Nadellager
25
TR49-7690
Scheibe
26
TR49-7700
Scheibe
27
TR62-3830
Scheibe
28
TR32121-68
Stift
29
TR52-4860
Radabdeckung
30
TR14-9969
Antriebsrad
31
TR27-6250
Buchse
32
TR27-6231
Radbolzen
33
TR40-1940
Scheibe
34
TR32153-11
Mutter
35
TR47-6730
Simmerring
36
TR60-8870
Schaltklaue
37
TR29-9570
Buchse
38
TR608810
Federteller
39
TR74-3620
Mitnehmer
40
TR99-5261
DISCONTINUED
41
TR60-8760
SCHALTRING
42
TR36-4780
Scheibe
43
TR60-8770
Buechse
44
TR60-8730-03
Getriebedeckel
45
TR49-2040
Schraube
46
TR60-8750
Buechse
47
TR36-4791
Lagerscheibe
48
TR104-7668
Zahnrad
49
TR55-3780
Zahnrad
50
TR55-3800
Zahnrad
51
TR614696
Getriebewelle
52
TR608850
Schraube
53
TR32121-120
PIN-SPRING
54
TR60-8790
Mitnehmerwelle
55
TR55-3810
Zahnrad
56
TR55-3790
GEAR-44T
57
TR55-3770
Zahnrad
58
TR104-7667
GEAR-PINION, BEVEL
59
TR38-7820
Kugellager
60
TR60-8710
Getriebegehaeuse
TR62-6670
Getriebe Kpl.
Gestione della qualità
Aiutaci a migliorare il nostro sito. Informaci se trovi un errore.