Toro 20676 - Lawnmower, 1985 (5000001-5999999) ENGINE ASSEMBLY Ricambi
ENGINE ASSEMBLY 20676 - Toro Lawnmower, 1985 (5000001-5999999)

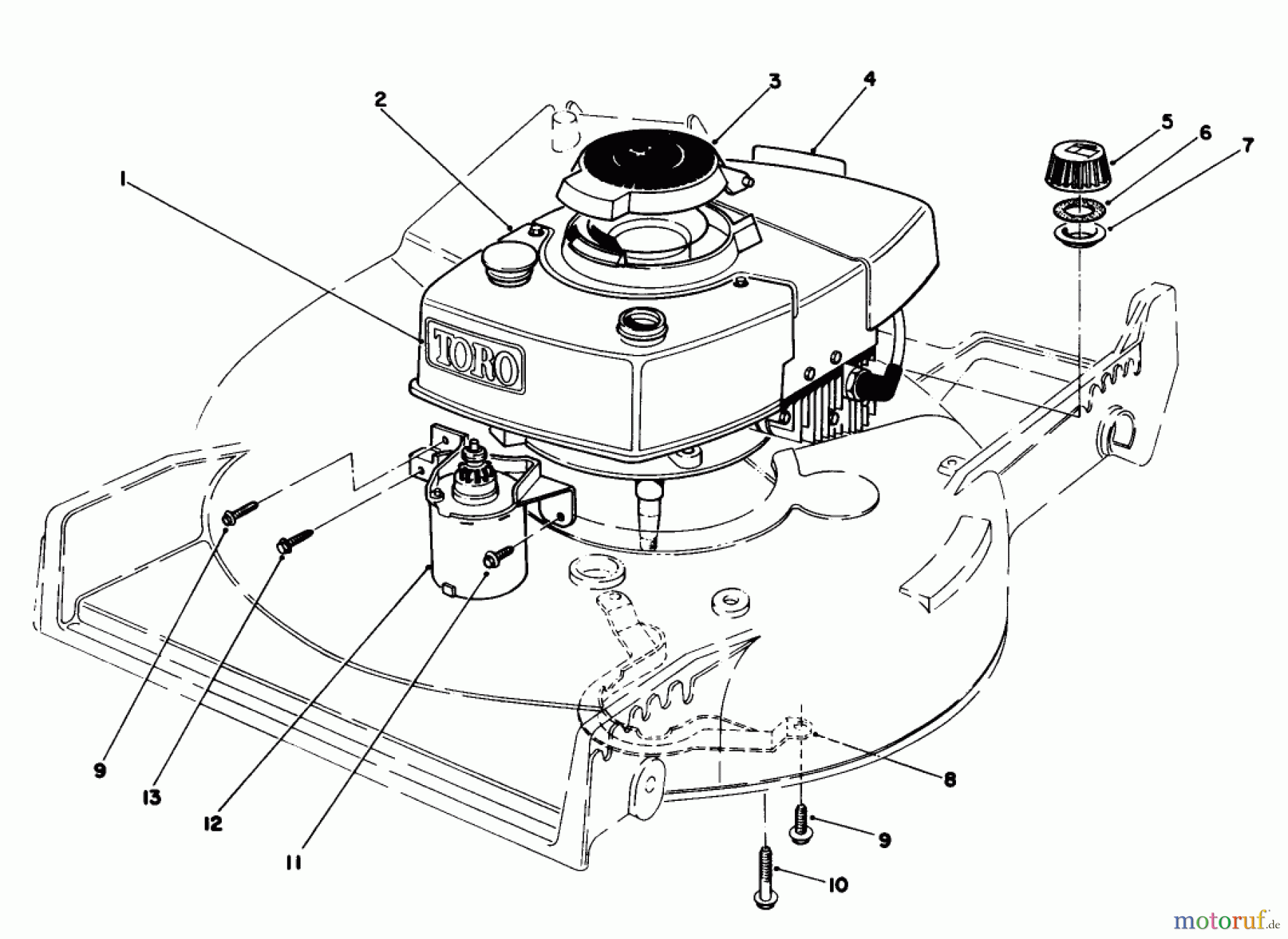
| Posizione | Articolo numero | Descrizione | |
| 1 | TR70-2200 | DECAL | |
| 2 | TR221-763 | ||
| 3 | TR38-4720 | Abdeckung | |
| 4 | TR37-1580 | KLEBESCHILD | |
| 5 | TR42-0682 | Tankdeckel | |
| 6 | TR2210-144 | Dichtung | |
| 7 | TR2210-143 | DISCONTINUED | |
| 8 | TR40-5720 | Riemenfuehrung | |
| 9 | TR49-2040 | Schraube | |
| 10 | TR11-0581 | Schraube | |
| 11 | TR12-3270 | Schraube | |
| 12 | TR49-4210 | Anlassermotor | |
| 13 | TR46-6810 | Schraube | |
| TR33-2930 | DISCONTINUED | ||


Gestione della qualità
Aiutaci a migliorare il nostro sito. Informaci se trovi un errore.

