.it
Benvenuti
Contatti
Spedizione
L’azienda
Guest book
Condizioni e Privacy
Catalogare
Tagliare, profilare
Componenti per motore
Officine meccaniche
Parti e componentistica per macchine varie
Forestali
Articoli elettrici
Articoli invernali
Cinghie trapezoidali e relative pulegge
Filters
PEZZI DI RICAMBIO
Sprocket Rims
Guide Bars
Chainsaw Chains
Search by Part Number
Diagrammi ed elenchi
Servizio
Determine Chain
Ricerca
Il mio account
Registrati
Log in
Settings
DE
EN
FR
ES
IT
Desktop
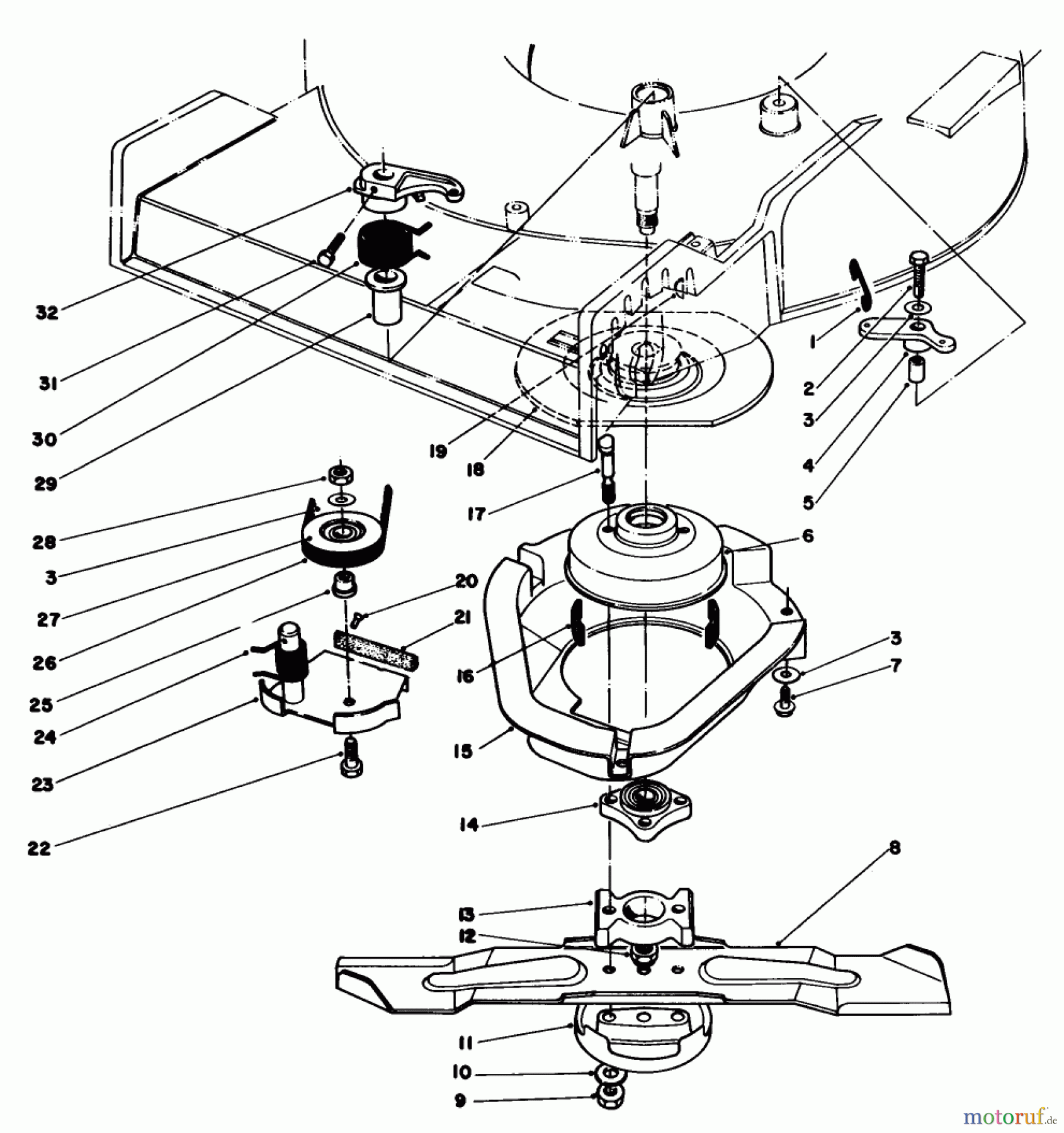
Toro 20676 - Lawnmower, 1984 (4000001-4999999) BLADE BRAKE CLUTCH ASSEMBLY Ricambi
Start
Toro Neu
Mowers, Walk-Behind
Seite 1
20676 - Toro Lawnmower, 1984 (4000001-4999999)
BLADE BRAKE CLUTCH ASSEMBLY
BLADE BRAKE CLUTCH ASSEMBLY 20676 - Toro Lawnmower, 1984 (4000001-4999999)
Posizione
Articolo numero
Descrizione
1
TR49-2810
Gestaenge
2
TR32104-107
Schraube
3
TR3256-23
Scheibe
4
TR49-7960
Hebel
5
TR49-7950
SLEEVE-BELLCRANK
6
TR94-9431
BRAKE DRUM ASM
7
TR32144-11
Schraube
8
TR107-4276-03
BLADE-BAGGING, 21 INCH
9
TR3296-6
NUT-LOCK
10
TR40-1940
Scheibe
11
TR80-2770
Antiscalpscheibe
12
TR3296-33
Mutter
13
TR107-4275
SPACER-BLADE
14
TR42-6890
Nabe
15
TR46-5690
SHIELD BBC
16
TR52-3480
Daempfer
17
TR42-3190
BOLT-BLADE
18
TR43-7720
DISCONTINUED PRC4
19
TR3257-3
KEY-WOODRUFF
20
TR3295-23
Holniete
21
TR111359
Mutter
22
TR322-16
Schraube
23
TR94-1601
BRAKE PLATE ASM
24
TR46-5670
SPRING-TORSION
25
TR46-5630
HUB-PULLEY, IDLER
26
TR42-0881
V-BELT
27
TR117-5299
PULLEY-IDLER
28
TR3296-47
Mutter
29
TR46-6680
BUSHING PM
30
TR49-7970
SPRING-TORSION
31
TR32104-96
Schraube
32
TR49-2820
LEVER
Gestione della qualità
Aiutaci a migliorare il nostro sito. Informaci se trovi un errore.