.it
Benvenuti
Contatti
Spedizione
L’azienda
Guest book
Condizioni e Privacy
Catalogare
Tagliare, profilare
Componenti per motore
Officine meccaniche
Parti e componentistica per macchine varie
Forestali
Articoli elettrici
Articoli invernali
Cinghie trapezoidali e relative pulegge
Filters
PEZZI DI RICAMBIO
Sprocket Rims
Guide Bars
Chainsaw Chains
Search by Part Number
Diagrammi ed elenchi
Servizio
Determine Chain
Ricerca
Il mio account
Registrati
Log in
Settings
DE
EN
FR
ES
IT
Desktop
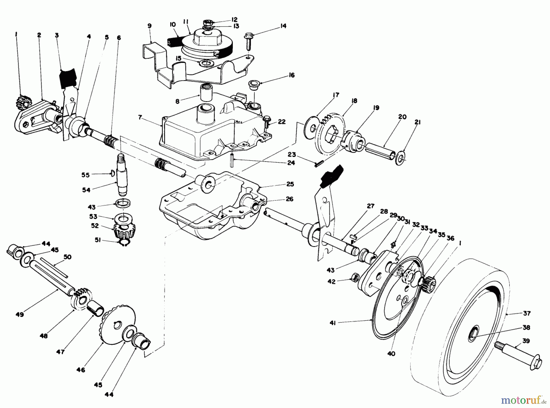
Toro 20675 - Lawnmower, 1984 (4000001-4999999) GEAR CASE ASSEMBLY Ricambi
Start
Toro Neu
Mowers, Walk-Behind
Seite 1
20675 - Toro Lawnmower, 1984 (4000001-4999999)
GEAR CASE ASSEMBLY
GEAR CASE ASSEMBLY 20675 - Toro Lawnmower, 1984 (4000001-4999999)
Posizione
Articolo numero
Descrizione
1
TR39-9160
Zahnrad
2
TR49-7720
PIVOT ARM ASM RH
3
TR25-7740
Hebelknopf
4
TR44-1010
Einstellhebel
5
TR42-3520
CAP-END
6
TR24-7922
Verkleidung
7
TR39-7282
DISC PRC4
8
TR47-6720
BEARING
9
TR49-8460
BELT GUIDE BRKT*B
10
TR36-8070
Keilriemen
11
TR39-6740
Keilriemenscheibe
12
TR3296-5
Stopmutter
13
TR3256-45
Scheibe
14
TR12-3270
Schraube
15
TR36-4790
WASHER-THRUST
16
TR12-0510
DISCONTINUED
17
TR29-9690
Scheibe
18
TR29-9271
Zahnrad
19
TR49-4280
DRIVE ADAPTER
20
TR36-9120
DISCONTINUED
21
TR36-4780
Scheibe
22
TR49-2040
Schraube
23
TR32121-109
DISCONTINUED
24
TR32121-100
Spannhuelse
25
TR29-9410
Gehaeuse u.T.
26
TR47-5220
Buchse
27
TR12-6659
Antriebswelle
28
TR39-9680
KEY RECTANGULAR
29
TR39-9650
Feder
30
TR47-2890
Buechse
31
TR302-56
Schmiernippel
32
TR49-7710
Radaufhaengung
33
TR48-2060
Nadellager
34
TR49-7690
Scheibe
35
TR49-7700
Scheibe
36
TR32151-68
RING-RETAINING
37
TR11-1419
Rad
38
TR27-6250
Buchse
39
TR27-6231
Radbolzen
40
TR40-1940
Scheibe
41
TR36-5630-03
WHEEL COVER
42
TR3296-6
NUT-LOCK
43
TR47-7260
Simmerring
44
TR47-5210
BUSHING
45
TR36-4790
WASHER-THRUST
46
TR39-6670
Kegelrad
47
TR36-9130
DISCONTINUED
48
TR46-3550
Zahnrad
49
TR46-9470
INTERMEDIATE SHAFT
50
TR39-7843
Keil
51
TR32151-57
Sicherungsring
52
TR39-6660
PINION-BEVEL
53
TR47-2910
Scheibe
54
TR39-6690
Schneckenwelle
55
TR3257-1
Keil
Gestione della qualità
Aiutaci a migliorare il nostro sito. Informaci se trovi un errore.