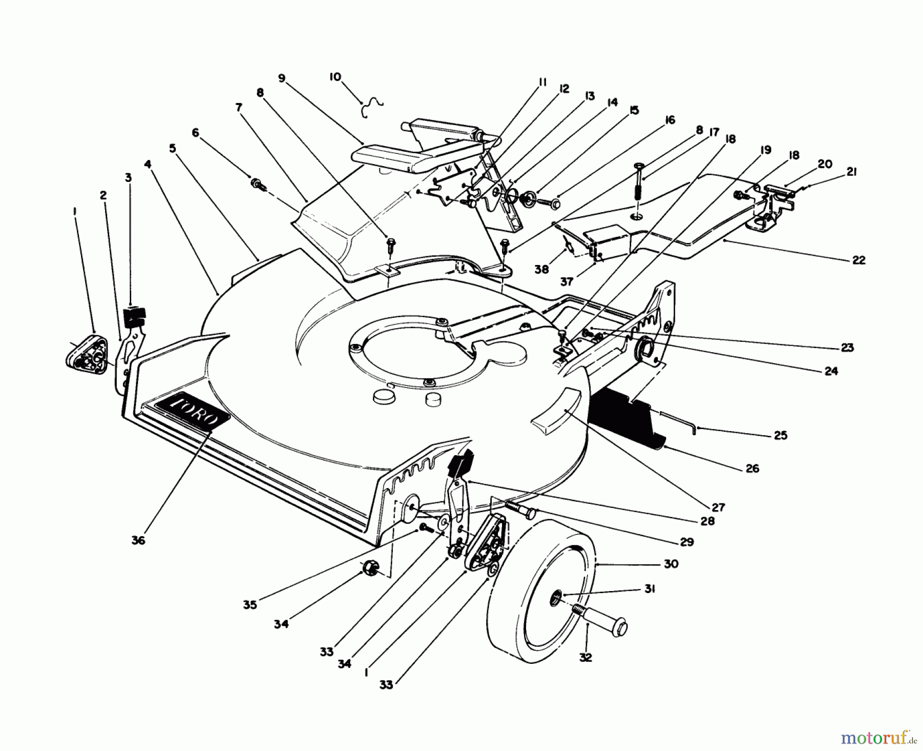
Toro 20632 - Lawnmower, 1989 (9000001-9999999) HOUSING ASSEMBLY (USED ON UNITS WITH SERIAL NO. 9003043 AND UP) Ricambi
HOUSING ASSEMBLY (USED ON UNITS WITH SERIAL NO. 9003043 AND UP) 20632 - Toro Lawnmower, 1989 (9000001-9999999)



Gestione della qualità
Aiutaci a migliorare il nostro sito. Informaci se trovi un errore.




