.it
Carrello
vuoto
Il mio account
Registrati
Log in
Benvenuti
Contatti
Spedizione
L’azienda
Guest book
Condizioni e Privacy
Catalogare
Tagliare, profilare
Componenti per motore
Officine meccaniche
Parti e componentistica per macchine varie
Forestali
Articoli elettrici
Articoli invernali
Cinghie trapezoidali e relative pulegge
Filters
PEZZI DI RICAMBIO
Sprocket Rims
Guide Bars
Chainsaw Chains
Search by Part Number
Diagrammi ed elenchi
Servizio
Determine Chain
Ricerca
DE
EN
FR
ES
IT
Versione mobile
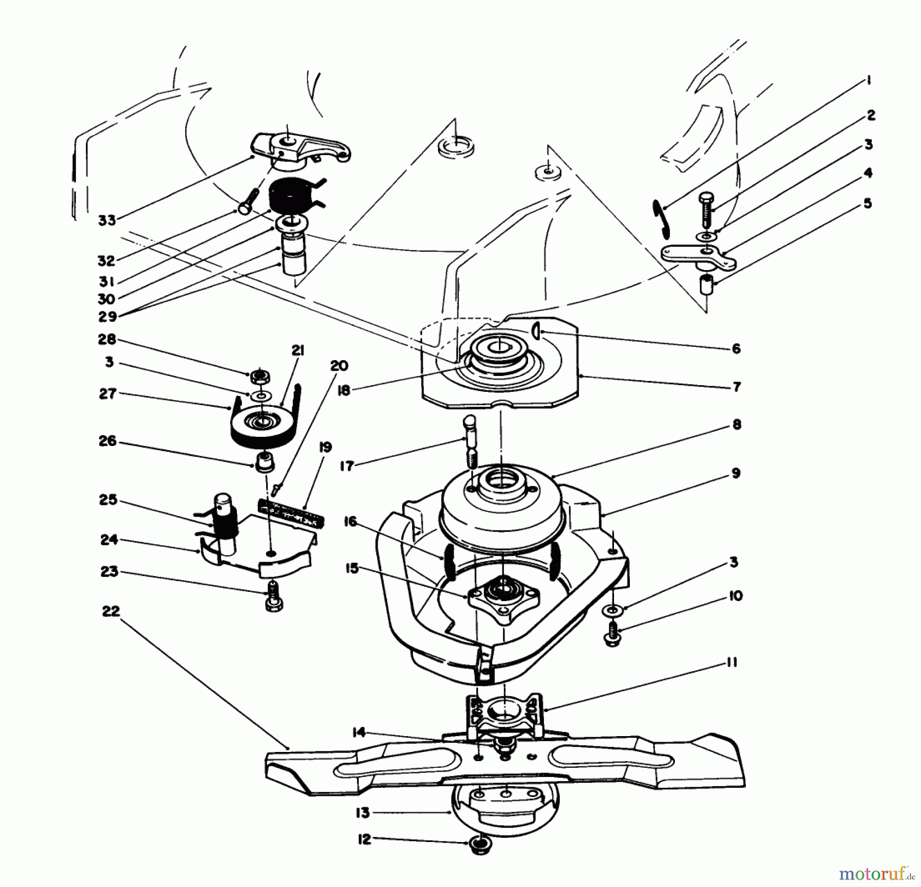
Toro 20632 - Lawnmower, 1989 (9000001-9999999) BLADE BRAKE CLUTCH ASSEMBLY Ricambi
Start
Toro Neu
Mowers, Walk-Behind
Seite 1
20632 - Toro Lawnmower, 1989 (9000001-9999999)
BLADE BRAKE CLUTCH ASSEMBLY
BLADE BRAKE CLUTCH ASSEMBLY 20632 - Toro Lawnmower, 1989 (9000001-9999999)
Posizione
Articolo numero
Descrizione
1
TR49-2810
Gestaenge
2
TR32104-107
Schraube
3
TR3256-23
Scheibe
4
TR49-7960
Hebel
5
TR49-7950
SLEEVE-BELLCRANK
6
TR3257-3
KEY-WOODRUFF
7
TR56-6160-03
FLYWHEEL - BBC
8
TR94-9431
BRAKE DRUM ASM
9
TR46-5690
SHIELD BBC
10
TR32144-70
Schraube
11
TR107-4275
SPACER-BLADE
12
TR54-9190
Mutter
13
TR80-2770
Antiscalpscheibe
14
TR3296-33
Mutter
15
TR42-6890
Nabe
16
TR52-3480
Daempfer
17
TR42-3190
BOLT-BLADE
18
TR62-7560
Riemenscheibe
19
TR
20
TR3295-23
Holniete
21
TR117-5299
PULLEY-IDLER
22
TR107-4276-03
BLADE-BAGGING, 21 INCH
23
TR322-16
Schraube
24
TR94-1601
BRAKE PLATE ASM
25
TR46-5670
SPRING-TORSION
26
TR46-5630
HUB-PULLEY, IDLER
27
TR42-0884
Zahnriemen
28
TR3296-47
Mutter
29
TR68-9780
Lager
30
TR70-1160
WASHER
31
TR49-7970
SPRING-TORSION
32
TR32104-96
Schraube
33
TR49-2820
LEVER
Gestione della qualità
Aiutaci a migliorare il nostro sito. Informaci se trovi un errore.