.it
Carrello
vuoto
Il mio account
Registrati
Log in
Benvenuti
Contatti
Spedizione
L’azienda
Guest book
Condizioni e Privacy
Catalogare
Tagliare, profilare
Componenti per motore
Officine meccaniche
Parti e componentistica per macchine varie
Forestali
Articoli elettrici
Articoli invernali
Cinghie trapezoidali e relative pulegge
Filters
PEZZI DI RICAMBIO
Sprocket Rims
Guide Bars
Chainsaw Chains
Search by Part Number
Diagrammi ed elenchi
Servizio
Determine Chain
Ricerca
DE
EN
FR
ES
IT
Versione mobile
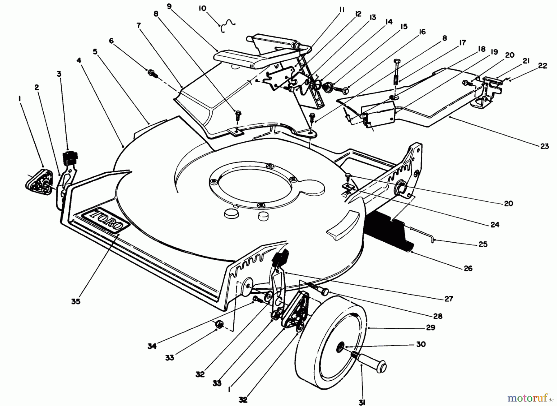
Toro 20631 - Lawnmower, 1989 (9000001-9999999) HOUSING ASSEMBLY Ricambi
Start
Toro Neu
Mowers, Walk-Behind
Seite 1
20631 - Toro Lawnmower, 1989 (9000001-9999999)
HOUSING ASSEMBLY
HOUSING ASSEMBLY 20631 - Toro Lawnmower, 1989 (9000001-9999999)
Posizione
Articolo numero
Descrizione
1
TR66-0580
RADSCHENKEL
2
TR71-0560
Hoeheneinstellhebel
3
TR25-7740
Hebelknopf
4
TR14-3489
Mahergehaeuse 48''
5
TR39-5770
Schild
6
TR46-6810
Schraube
7
TR82-9151
TUNNEL-DISCHARGE
8
TR46-6811
Schraube
9
TR77-0200
Klappe
10
TR47-5840
Sicherung
11
TR23-1040
Halteplatte
12
TR42-4010
Lasche
13
TR46-8090
Schraube
14
TR33-4860
Schenkelfeder
15
TR43-4840
DOOR SPACER
16
TR46-8091
Schraube
17
TR37-7260
Schraube
18
TR3295-35
Niete
19
TR38-8730
HEAT SHIELD
20
TR32144-70
Schraube
21
TR82-5680-03
Halterung
22
TR46-7030
RETAINER-CABLE
23
TR52-7404
Riemenabdeckung
24
TR62-3720
CLAMP-CABLE
25
TR47-4682
Achse
26
TR112-9989
SHIELD-TRAILING
27
TR71-0570
Hoeheneinstellhebel
28
TR66-0560
Schraube
29
TR51-2751
Rad
30
TR27-6250
Buchse
31
TR27-6231
Radbolzen
32
TR40-1940
Scheibe
33
TR32153-11
Mutter
34
TR32144-85
Schraube
35
TR71-0600
Toro-Klebeschild
Gestione della qualità
Aiutaci a migliorare il nostro sito. Informaci se trovi un errore.