.it
Benvenuti
Contatti
Spedizione
L’azienda
Guest book
Condizioni e Privacy
Catalogare
Tagliare, profilare
Componenti per motore
Officine meccaniche
Parti e componentistica per macchine varie
Forestali
Articoli elettrici
Articoli invernali
Cinghie trapezoidali e relative pulegge
Filters
PEZZI DI RICAMBIO
Sprocket Rims
Guide Bars
Chainsaw Chains
Search by Part Number
Diagrammi ed elenchi
Servizio
Determine Chain
Ricerca
Il mio account
Registrati
Log in
Settings
DE
EN
FR
ES
IT
Desktop
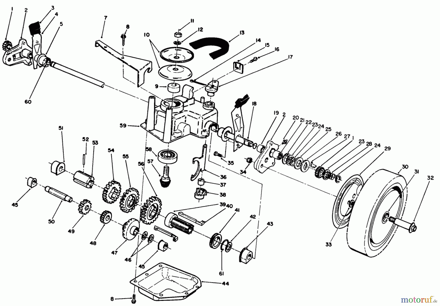
Toro 20631 - Lawnmower, 1989 (9000001-9999999) GEAR CASE ASSEMBLY Ricambi
Start
Toro Neu
Mowers, Walk-Behind
Seite 1
20631 - Toro Lawnmower, 1989 (9000001-9999999)
GEAR CASE ASSEMBLY
GEAR CASE ASSEMBLY 20631 - Toro Lawnmower, 1989 (9000001-9999999)
Posizione
Articolo numero
Descrizione
1
TR65-4750
Antriebsritzel
2
TR63-8701
Radaufhaengung
3
TR25-7740
Hebelknopf
4
TR63-8720
SPRING ARM ASM SP
5
TR42-3520
CAP-END
7
TR62-4320-03
BRACKET-GUIDE, BELT
8
TR49-2040
Schraube
9
TR62-6660
Distanzstueck
10
TR100-1176
Riemenscheibenhaelfte
11
TR3296-5
Stopmutter
12
TR3256-24
WASHER-FLAT
13
TR62-3900
Riemen
14
TR3272-10
PIN-COTTER
15
TR62-3720
CLAMP-CABLE
16
TR32144-70
Schraube
17
TR60-8820
Schalthebel
18
TR65-4770
Welle
19
TR47-2890
Buechse
20
TR302-56
Schmiernippel
21
TR48-2060
Nadellager
22
TR65-4730
WASHER-ARM, PIVOT
23
TR65-4740
Druckscheibe
24
TR65-2720
Sicherungsring
25
TR65-4710
Gummiring
26
TR65-4760
Kupplungsscheibe
27
TR66-6050
Freilaufsperre Li.
TR66-6040
Freilaufsperre Re.
28
TR65-4720
Feder
29
TR63-5270
Abdeckscheibe
30
TR14-9959
Rad
31
TR27-2650
Hoeheneinstellung
32
TR27-6231
Radbolzen
33
TR40-1940
Scheibe
34
TR32153-11
Mutter
35
TR32144-85
Schraube
36
TR60-8870
Schaltklaue
37
TR29-9570
Buchse
38
TR608810
Federteller
39
TR74-3620
Mitnehmer
40
TR99-5261
DISCONTINUED
41
TR60-8760
SCHALTRING
42
TR36-4780
Scheibe
43
TR60-8770
Buechse
44
TR60-8730-03
Getriebedeckel
45
TR60-8750
Buechse
46
TR36-4791
Lagerscheibe
47
TR104-7668
Zahnrad
48
TR55-3780
Zahnrad
49
TR55-3800
Zahnrad
50
TR614696
Getriebewelle
51
TR608850
Schraube
52
TR32121-120
PIN-SPRING
53
TR60-8790
Mitnehmerwelle
54
TR55-3810
Zahnrad
55
TR55-3790
GEAR-44T
56
TR55-3770
Zahnrad
57
TR104-7667
GEAR-PINION, BEVEL
58
TR38-7820
Kugellager
59
TR60-8710
Getriebegehaeuse
60
TR237-153
O-Ring
61
TR65-5250
Sicherungsring
TR62-6673
Getriebe Kpl.
Gestione della qualità
Aiutaci a migliorare il nostro sito. Informaci se trovi un errore.