.it
Carrello
vuoto
Il mio account
Registrati
Log in
Benvenuti
Contatti
Spedizione
L’azienda
Guest book
Condizioni e Privacy
Catalogare
Tagliare, profilare
Componenti per motore
Officine meccaniche
Parti e componentistica per macchine varie
Forestali
Articoli elettrici
Articoli invernali
Cinghie trapezoidali e relative pulegge
Filters
PEZZI DI RICAMBIO
Sprocket Rims
Guide Bars
Chainsaw Chains
Search by Part Number
Diagrammi ed elenchi
Servizio
Determine Chain
Ricerca
DE
EN
FR
ES
IT
Versione mobile
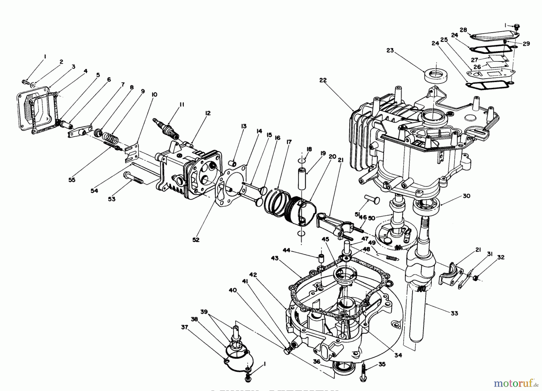
Toro 20627C - Lawnmower, 1988 (8000001-8999999) ENGINE ASSEMBLY #2 Ricambi
Start
Toro Neu
Mowers, Walk-Behind
Seite 1
20627C - Toro Lawnmower, 1988 (8000001-8999999)
ENGINE ASSEMBLY #2
ENGINE ASSEMBLY #2 20627C - Toro Lawnmower, 1988 (8000001-8999999)
Posizione
Articolo numero
Descrizione
1
TR81-1170
Schraube
2
TR81-3790
Scheibe
3
TR81-3780
Deckel
4
TR81-3770
GASKET
5
TR81-3760
Mutter
6
TR81-3750
Buechse
7
TR81-3740
ARM
8
TR81-3730
Federteller
9
TR81-3720
DISCONTINUED
10
TR81-3710
Stoesselfuehrung
11
TR81-3250
Zuendkerze
12
TR81-3700
Zylinderkopf
TR81-3840
CYL HEAD
13
TR81-3690
Pass-Stift
14
TR81-4710
Zylinderkopfdichtung
TR81-3820
Dichtungssatz
15
TR106-2794
KIT-INTAKE VALVE, SUZUKI
16
TR106-2795
Auslassventil
17
TR81-3650
RING SET
18
TR50-0960
DISCONTINUED
19
TR81-3630
Kolbenbolzen
20
TR81-3620
Kolben
21
TR81-3390
DISCONTINUED
22
TR81-3280
ENGINE BLOCK
23
TR81-3290
Simmerring
24
TR81-3300
Dichtung
25
TR
26
TR
TR81-3370
DISCONTINUED
27
TR
28
TR81-3320
DISCONTINUED
29
TR
30
TR81-3380
Lager
31
TR50-1890
Pleuelsicherung
32
TR50-0510
Mutter
33
TR81-3420
Kurbelwelle Innengewinde
34
TR81-3440
DISCONTINUED
35
TR81-3450
Schraube
36
TR81-3460
Simmerring
37
TR81-3470
COVER
38
TR81-3480
O-Ring
39
TR81-3490
Oelpumpe
40
TR81-4970
Oelablass-Schraube
41
TR81-3510
Dichtung
42
TR13-5939
TEILEMOTOR
43
TR81-3530
Dichtung
44
TR50-0450
DISCONTINUED
45
TR81-3550
Regler
46
TR81-3610
DISCONTINUED
47
TR81-3560
Stift
48
TR81-3570
WASHER
49
TR81-3580
SPRING
50
TR81-3590
Nockenwelle
51
TR81-3600
Ventilstoessel
52
TR81-3830
Ventilfuehrung
53
TR50-0190
Schraube
54
TR81-3810
ROD
55
TR81-3800
Bolzen
TR12-2599
DISCONTINUED (SEE NOTES)
Gestione della qualità
Aiutaci a migliorare il nostro sito. Informaci se trovi un errore.