.it
Carrello
vuoto
Il mio account
Registrati
Log in
Benvenuti
Contatti
Spedizione
L’azienda
Guest book
Condizioni e Privacy
Catalogare
Tagliare, profilare
Componenti per motore
Officine meccaniche
Parti e componentistica per macchine varie
Forestali
Articoli elettrici
Articoli invernali
Cinghie trapezoidali e relative pulegge
Filters
PEZZI DI RICAMBIO
Sprocket Rims
Guide Bars
Chainsaw Chains
Search by Part Number
Diagrammi ed elenchi
Servizio
Determine Chain
Ricerca
DE
EN
FR
ES
IT
Versione mobile
Toro 20624 - Lawnmower, 1988 (8000001-8999999) HOUSING ASSEMBLY Ricambi
Start
Toro Neu
Mowers, Walk-Behind
Seite 1
20624 - Toro Lawnmower, 1988 (8000001-8999999)
HOUSING ASSEMBLY
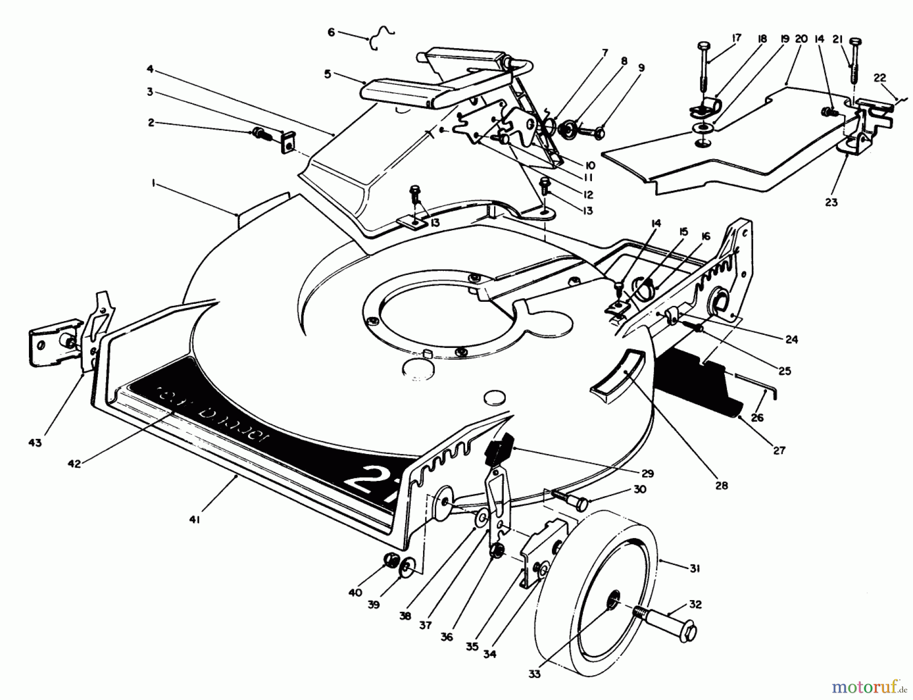
HOUSING ASSEMBLY 20624 - Toro Lawnmower, 1988 (8000001-8999999)
Posizione
Articolo numero
Descrizione
1
TR43-8480
DECAL-DANGER
2
TR12-3270
Schraube
3
TR47-6540
TUNNEL CLIP
4
TR82-9151
TUNNEL-DISCHARGE
5
TR77-0200
Klappe
6
TR47-5840
Sicherung
7
TR33-4860
Schenkelfeder
8
TR43-4840
DOOR SPACER
9
TR46-8091
Schraube
10
TR42-4010
Lasche
11
TR46-8090
Schraube
12
TR23-1040
Halteplatte
13
TR46-6811
Schraube
14
TR32144-70
Schraube
15
TR62-3720
CLAMP-CABLE
16
TR3290-378
KABELHALTER
17
TR37-7262
Schraube
18
TR2412-87
Klemme
19
TR3-5792
Scheibe
20
TR82-9911
Keilriemenabdeckung
21
TR37-7260
Schraube
22
TR46-7030
RETAINER-CABLE
23
TR82-5680-03
Halterung
24
TR2412-83
CLAMP-CABLE
25
TR12-5450
Schraube
26
TR33-3208
ROD-SHIELD
27
TR112-9989
SHIELD-TRAILING
28
TR46-7370
Schild
29
TR25-7740
Hebelknopf
30
TR44-5270
Schraube
31
TR51-2751
Rad
32
TR27-6230
BOLT-WHEEL
33
TR27-6250
Buchse
34
TR40-1940
Scheibe
35
TR47-2940
Radlasche
36
TR32153-11
Mutter
37
TR52-7480
Stellhebel
38
TR5-4460
Scheibe
39
TR3290-456
Tellerscheibe
40
TR3296-29
Mutter
41
TR14-4749
HOUSING W/DECAL
42
TR44-0450
DECK DECAL
43
TR52-7490
Stellhebel
Gestione della qualità
Aiutaci a migliorare il nostro sito. Informaci se trovi un errore.