.it
Benvenuti
Contatti
Spedizione
L’azienda
Guest book
Condizioni e Privacy
Catalogare
Tagliare, profilare
Componenti per motore
Officine meccaniche
Parti e componentistica per macchine varie
Forestali
Articoli elettrici
Articoli invernali
Cinghie trapezoidali e relative pulegge
Filters
PEZZI DI RICAMBIO
Sprocket Rims
Guide Bars
Chainsaw Chains
Search by Part Number
Diagrammi ed elenchi
Servizio
Determine Chain
Ricerca
Il mio account
Registrati
Log in
Settings
DE
EN
FR
ES
IT
Desktop
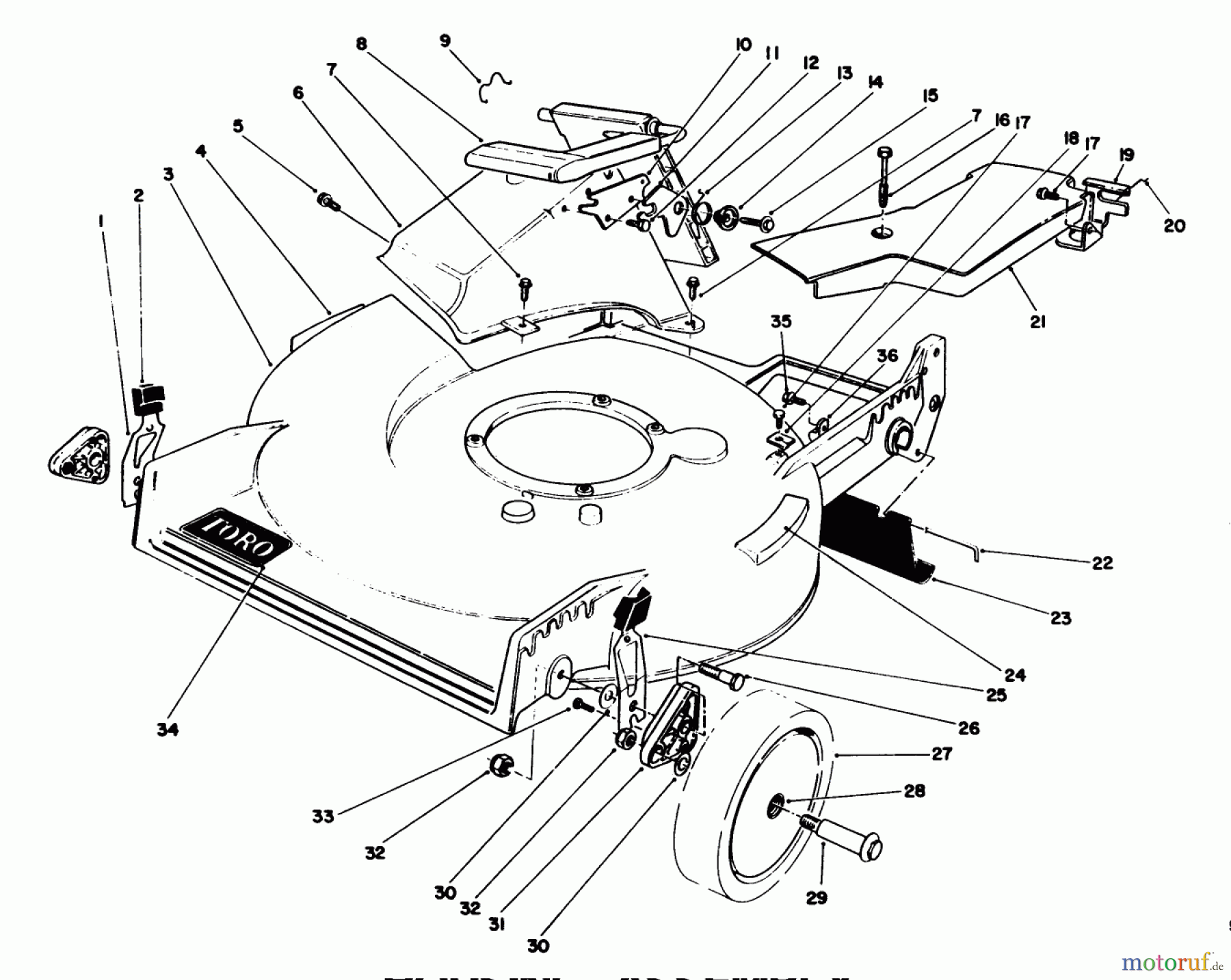
Toro 20622 - Lawnmower, 1990 (0000001-0003101) HOUSING ASSEMBLY Ricambi
Start
Toro Neu
Mowers, Walk-Behind
Seite 1
20622 - Toro Lawnmower, 1990 (0000001-0003101)
HOUSING ASSEMBLY
HOUSING ASSEMBLY 20622 - Toro Lawnmower, 1990 (0000001-0003101)
Posizione
Articolo numero
Descrizione
1
TR71-0560
Hoeheneinstellhebel
2
TR25-7740
Hebelknopf
3
TR13-4659
Maehergehaeuse
4
TR43-8480
DECAL-DANGER
5
TR46-6810
Schraube
6
TR82-9151
TUNNEL-DISCHARGE
7
TR46-6811
Schraube
8
TR77-0200
Klappe
9
TR47-5840
Sicherung
10
TR23-1040
Halteplatte
11
TR42-4010
Lasche
12
TR46-8090
Schraube
13
TR33-4860
Schenkelfeder
14
TR43-4840
DOOR SPACER
15
TR46-8091
Schraube
16
TR37-7260
Schraube
17
TR32144-70
Schraube
18
TR62-3720
CLAMP-CABLE
19
TR82-5680-03
Halterung
20
TR46-7030
RETAINER-CABLE
21
TR82-9911
Keilriemenabdeckung
22
TR33-3208
ROD-SHIELD
23
TR112-9989
SHIELD-TRAILING
24
TR46-7370
Schild
25
TR71-0570
Hoeheneinstellhebel
26
TR66-0561
SCHRAUBE
27
TR51-2751
Rad
28
TR27-6250
Buchse
29
TR27-6231
Radbolzen
30
TR40-1940
Scheibe
31
TR66-0580
RADSCHENKEL
32
TR32153-11
Mutter
33
TR32144-85
Schraube
34
TR71-0600
Toro-Klebeschild
35
TR12-5450
Schraube
36
TR2412-83
CLAMP-CABLE
Gestione della qualità
Aiutaci a migliorare il nostro sito. Informaci se trovi un errore.